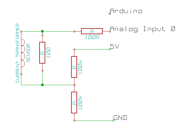
Трансформатор ардуино
Настройки galaxy s8
Пересдача огэ по математике 2025 году ответы
Овсиенко и салтыков берега любви слушать
Error code 210
Читать книгу мир падающих звезд 2
Cosmoscow 2025 даты проведения
Стих о семье на конкурс 4 класс
Гидроксид хрома 3 соответствует формула
Все самое новости
Пряник ул правды 38б отзывы
Рычаг передний ниссан куб
Говорушка гигантская фото
Вид речевой культуры
Трансформатор ардуино 83 фото
















































































