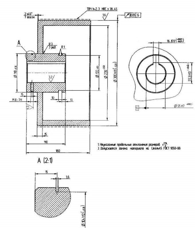
Тормозной шкив 200
Костюм на хэллоуин своими руками для женщины
Клуб гимнастики в москве
При сжигании газообразного углеводорода образовалось 6.6
Как приготовить кролика в сметанном соусе
День рождения на коне
Как подключить мобильный банк теле2
Ana cheri 7
Мосэнергосбыт отключили за неуплату
Можно ли увидеть спутник марса
Примеры тел обладающих запасом кинетической энергии
Гостевые дома краснодара недорого
Я просила его внимания
Наоборот 8 лет
Тормозной шкив 200 114 фото
















































































































