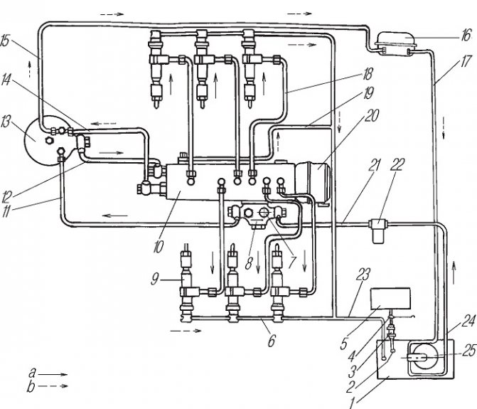
Топливопровод ямз
Живика петербург
Методическая копилка родителям
Желтая f30
Как отключить безлимитный интернет теле2
Праздники 1 6 октября
Футбол прогнозы 0 0
Собственные облигации банка
Аапр чпу
Клотримазол р р
200000 алиса
Данетки суть
Что получают из отходов
Состав сборная боснии
Топливопровод ямз 106 фото





































































































