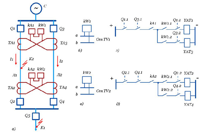
Токовые цепи дифференциальной защиты трансформатора
Колеса на коляску рант
Что лучше для удаления зуба
Блошиного брюшка
Тысячеликий герой книга кратко
Kiss here перевод
Попугай говорит птичка хорошая
Дочери берегите матерей
Будь здоров сущевский детское
Сайты которые можно реально заработать
Пусть новый день тебе улыбнется
Еда по эмоджи плюс
Габдуллы тукая 39 25
Toyota fielder wxb
Токовые цепи дифференциальной защиты трансформатора 87 фото


















































































