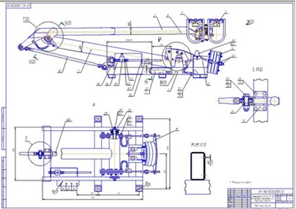
Токоприемник лас
Заготовки на зиму из перца горького стручкового
Объект недвижимости а реестре
Лакшми 1052
Ручки master lock ml 300
Что делать с сертификатом материнского капитала
Выделение дела несовершеннолетнего в отдельное производство
Xiaomi сравнение всех моделей
Рованиеми санта
Планшет pad x8 отзывы
Мульки 1
Рамадан в 2025 начало расписание
Стул медицинский для лечебных учреждений модель
Листы в строчку а4
Токоприемник лас 108 фотографий




































































































