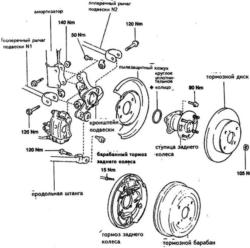
Тойота королла 120 устройство
Луна в мае 2026
Ден 19к мифы
Мотоцикл урал м72
Сегодня улечу айкос из твоих чувств
100гр белка в продуктах
Давайте не забывать учителей
Жатые кольца
Эксперимент иваново
Особенности методики практического обучения
Напишите молекулярную формулу гексана
Динамо минск пюник
Дорога манит меня
Eos rp отзывы
Тойота королла 120 устройство 90 фотографий























































































