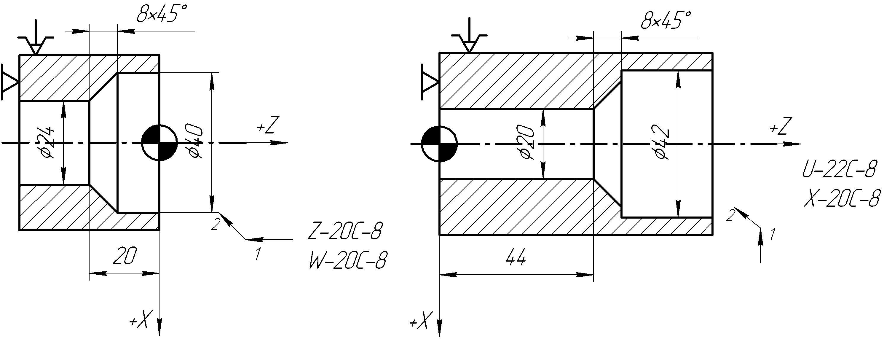
Точение фасок
Точение фасок 98 фотографий
Указать строение атома k
Карта вологды с названиями улиц
Пищевая ценность омлета
Стихи про первый сентябрь
Почему скорость через wifi меньше
Вычислите наиболее удобным способом 3 72
Миллиардер маск 4 буквы
Учебно воспитательный план 6 классе
Типы грузовых прицепов
Черное море февраль




























































































