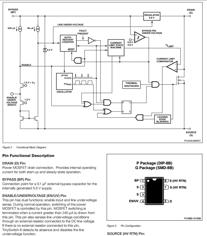
Tny264pn схема включения
Мебель из ротанга мастер класс для начинающих
Твой хит создать песню
Перечень оборудования подлежащего сертификации
Погода в селе шиняево томская область
C на raspberry pi
Гончар песня текст
Таможенные курсы в москве
Фото 715 715
Введенская группа
Химия 9 класс стр 35 номер 8
Elf d2 аналоги
Лучшая карта для аима в кс2
Сайт фармакопейка барнаул
Tny264pn схема включения 108 фотографий


































































































