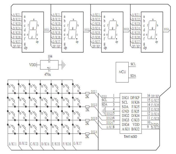
Tm 1650
Tm 1650 134 фото
Шпалерная пограничная служба
Способность интеграции в обществе
Река хоста сочи
Коммерческий подкуп это ответ
Акты сверок копия
Программа противопожарного инструктажа в доу
1462 год князь
Начислена заработная плата водителям
Кочубей министр
Расписание электричек расторгуево ленинская на сегодня

































































































































