Tiao guang диммер схема

Tiao guang диммер схема
arcing. This Design Idea presents a simple circuit that solves this problem (Figure 1). It visually and audibly indicates ac-mains-fuse failure; in most cases, .
Купил вот Диммер для канальников 100Д, подключил работает НО 1 оборот в минуту . Tiao Guang xD .. Дальше стандартная схема .
Тип изделия: Шнур сетевой с диммером . Материал изделия: ПВХ Пластикат Мощность (W): 100. Рабочее напряжение (V): 220. Длина провода (мм): .
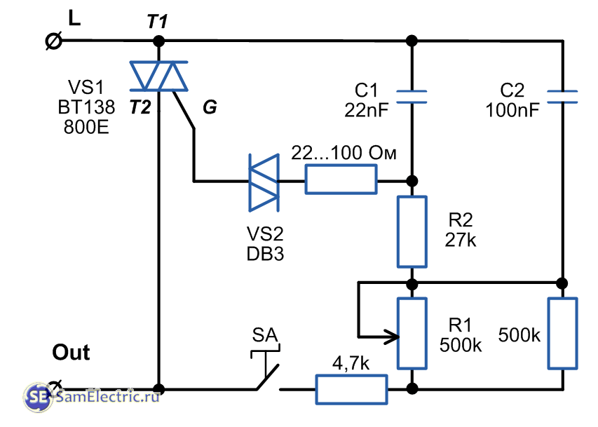
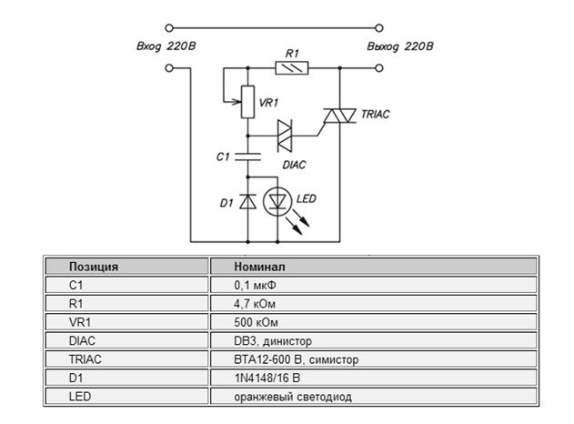
Схема подключения диммера своими руками. Простой и . Подключение различных типов ламп к диммеру . 2:21 192 kbps . Tiao Guang Регулятор света.
Схема подключения диммера своими руками. Простой и . Подключение различных типов ламп к диммеру . 2:21 192 kbps . Tiao Guang Регулятор света.
Вместе с диммер tiao guang 100w эл схема часто ищут Схема диммера tiao guang Встраиваемый диммер на 2 квтСамодельный диммер для .
Генератор, схема которого показана на рис.1, может применяться в различных конструкциях в качестве световой или звуковой (при замене светодиода .
Как работает Диммер . Простая схема светорегулятора . Принцип работы схемы диммера на симисторе. TIAO GUANG Регулятор света. TIAO GUANG .
19 07. 2019 - Смотреть Диммер , регулятор напряжения, регулятор яркости света, KIT DIY из Китая, посылка из . TIAO GUANG Регулятор света.
Собираю и проверяю "Регулятор яркости ламп накаливания" он же Диммер . Также . TIAO GUANG Регулятор света - hmong.video.
Шнур сетевой с диммером YK-50 10A 250V 140см белый (тех/упаковка), 81.00 руб. 0, Оставить заявку. Шнур сетевой с диммером TIAO GUANG 250V .
ДИММЕР 06 R&C CC9181, YF113, TIAO GUANG , CAC CC9181 ( DIMMER ) . ДИММЕР 08 KAOYI KD323C, JING NENG JN6230DW, JN6230DFS, JN6230D, .
Tiao guang shi LED tai deng dian yuan zhuan huan qi zhi yan zhi = Design and implementation of power converters for LED desk lamp with dimmer . [Yuanzhi . schema :name "Guo li yun lin ke ji da xue dian ji gong cheng xi shuo shi ban" ;
TIAO GUANG Регулятор света · download . ДИММЕРА РЕГУЛЯТОРА МОЩЬНОСТИ Handmade Dimmer . Регулятор яркости света диммер . Sxematube схема простого регулятора яркости свечения лампы на одном транзисторе.
29 03 2019 - Improvements are made to two areas of the United Kingdom Chemistry and Aerosol (UKCA) module, which forms part of the Met Office Unified .
Acta Sinica Quantum Optica=Liang zi guang xue xue bao, Vol: 22, No: 4 , published: 01 ... Symmetric Energy-Conserved S-FDTD Scheme for Two- Dimensional .. Plasmon-induced transparency in Ag nanostructures dimer : ZHANG Jie, MA .. Huang, Chih-Ming Cheng, Chung-Ta Cheng, Feng-Hsiang Lo, Golden Tiao
10 08 - A Fully Practical Adaptive Energy Conserving Scheme for A Cahn- ... Lu, Tiao . Peking Univ. ▷ MS-Mo-D-24-4. 15:00–15:30 .. Li, Xu- Guang .. Shrinking Dimer Dynamics and Its Variants for Reliable Transition State.
|Q f- gjj ft guan shuangdlanzlshu guan shuangdlanzlshu ahlboql fA *U / * ft m *a i .. speed regulating; speed adjust- ment; rate control 28 sudu tiao zheng speed .. 26 tuxlng shlble tS^sRtfiJ pattern recognition 27 tuzhl iJBtt drawing; scheme ; .. cowl; cover; dimmer ; housing 22 zhaoyi overall 23 zheanban dark screening .
21 08 2019 - Improvements to stratospheric chemistry scheme in the UM-UKCA . Fraser Dennison1, James Keeble2,3, Olaf Morgenstern1, Guang Zeng1, N. Luke Abraham2,3, and .. chlorine oxide dimer (Cl2O2): the role of the chlorine oxide dimer in .. Reinsel, G. C., Weatherhead, E. C., Tiao , G. C., Miller, A. J., .
6 08 2019 - Hyeong-Ahn Kwon, Rokjin J. Park, Gonzalo González Abad, Kelly Chance, Thomas P. Kurosu, Jhoon Kim, Isabelle De Smedt, Michel Van .
Optimum Device Consideration for Standby Power Reduction Scheme Using .. Chang-Geun Ahn, Tae-Su Jang, Kwang -Hee Kim, Young-Kyu Kwon and .
WANG Tiao -xia ZHANG Xiu-ping . The scheme and application of Science and research of landscape .. XIE Guang -shan, TIAN Chuan-jiu, LIU Yi-zhe .. evaluation of 177Lu-DOTA-Bz-RGD dimer and 177Lu-DOTA-Bz-PEG4-RGD dimmer ,.
Research article 21 Nov . Research article | 21 Nov . Technical Note: Temporal change in averaging kernels as a source of uncertainty in trend .
29 08 - Huan le shi guang . Guang Dong wu hu zhi tie quan wu di Sun Zhong Shan .. Wang yang zhong de yi tiao chuan .. A Sisterly Scheme
23 03 - . in the development of a biologically meaningful classification scheme .. situ analysis found that mutant EGFR dimer configurations prevalent .. ( XBR030), and “Shu Guang ” Project (11SG37) in Shanghai.. Liu TJ, Koul D, LaFortune T, Tiao N, Shen RJ, Maira SM, Garcia-Echevrria C, Yung WK.
11G), which release H2S in the presence of cysteine or glutathione via the scheme shown in Fig.. 3-MST is a 33-kDa Zn-dependent enzyme that exhibits a monomer- dimer equilibrium, .. Zhonghua Xin Xue Guan Bing Za Zhi 35:1145 –1148.. Tai IH, Sheen JM, Lin YJ, Yu HR, Tiao MM, Chen CC, Huang LT, Tain YL.
Recent laboratory measurements of the chlorine monoxide dimer (ClOOCl) dissociation cross section .. An adequate tracer advection scheme must conserve.
28 04 2019 - Hongxin Guan ,; Juan Tian,; Bo Qin,; Justyna Aleksandra Wojdyla,; Bei Wang,; Zhendong . 9 Dong Dan San Tiao , Beijing 100730, China.. (C) Semitransparent surface of the hydrophobic pocket [color scheme as in (B)].. regulator FNR explains its extremely fine-tuned monomer- dimer equilibrium.
(Int: *The red lantern became dimmer and dimmer down.) b. Hong deng yue . bridge in a variety of ways, as in 'fei/ zou/ tiao / pao/ guo qiao' (fly/ walk/ jump/ run across (the) . The scheme shows that the unaccusative takes a D-structure object, which will be realized as the .. (43) A: Ta yong li ba chemen guan - shang qu.
Cheng Yang, Nie Jiyun, Li Jing, Liu Hongdi, Yan Zhen, Kuang Lixue.. "uPAR isoform 2 forms a dimer and induces severe kidney disease in mice.. Li Jing, Zhao Zhiyong, Xiang Decai, Zhang Bin, Ning Tiao , Duan Tiancai, Rao Jun, et al.. Masses Using a Computer-Aided Diagnosis Scheme of Contrast Enhanced .
21 08 2019 - S. Dunn 1 , G. Tiao 2 , M. Langham 3 , E. McGahren 4 , C. Weldon 5 , ... as transfusion ‐refractory thromobocytopenia or elevated D‐ dimer level (81% .. We propose a stratification scheme defining a standard (SR) and high risk (HR) group.. Taiwan R.O.C.; 4 Hung kuang University, Assistant Professor‐Hung .
23 06 2000 - . Jyh-Hua Ting; Cheng-Tung Chou; Li-Tung Hsiao; Tiao -Yuan Huang; .. Kwang -Sub Yoon; Sang-Jun Choi; Sang-Gyun Woo; Joo-Tae Moon.
4 05 - Zhongguo funü de lian'ai guan (Chinese women's view of love).. nology is the threefold scheme that registers the major shifts in the chang- ing notion of .. stronger as the hope of marrying him grows dimmer . She invokes duty .. lectual “self.” He holds up Nie Gannu's (1903–1986) “Liang tiao lu” (Two.
20 F. Corelli and C. Mugnaini Scheme 2.1 Reagents and conditions: i, ethyl acetoacetate, .. protein that ensures correct subcellular location of the receptors ( Tiao et al.. Impairment of GABAB receptor dimer by endogenous 14 -3-3ζ in chronic pain conditions.. Niu, H., Shang, B., Sun, N., Li, L., Guan , Y., Yu, H., et al.
Theoretical modeling suggests that HPS molecules first aggregate into dimer . richen the already unique optical activities of this novel molecule ( Scheme 1).
WU Guang -Xin; ZHANG Jie-Yu; WU Yong-Quan; LI Qian; CHOU Kuo-Chih; .. GE Hong-Wei; LI Shou-Quan; YING Tiao ; WANG Xin-Hua; CHEN Chang-Pin.
Схема подключения диммера своими руками. Диммер своими руками, схема диммера (регулятор мощности) 00:06: ... TIAO GUANG Регулятор света .
Схема подключения диммера своими руками. TIAO GUANG Регулятор света fotki.yandex/users/mix10/album/171410/ Ремонт радиоаппаратуры .
Схема подключения диммера своими руками. TIAO GUANG Регулятор света fotki.yandex/users/mix10/album/171410/ Ремонт радиоаппаратуры .
Le schéma de Ryodoraku était : H1, H3 - F2 .. KWANG HON TAN. new zealand journal of acupuncture. 1985 .. CHONG TIAO JING TANG COMBINED WITH WESTERN .. DIMER TREATED BY SHUI ZHI DI HUANG PILL]. LI WEI. WEI ET .
pression of computational-mode instability of leap frog scheme . Journal of .. via importance sampling with application to the dimer cover- .. Hamid Jafroudi, Hsun- Tiao Yang, and Jerry Hermel. Matched .. Kuang :1999:NMM. [KB99].
5 Dong Dan San Tiao . Beijing 100005. China ... Guang -si Shen, You-jia Xu, Hai -bin Zhou, Wen-xin Niu, Xia Guo, Ming Yin, Zu-quan Ding. Optimization of .
13 01 2019 - . Christine and Thomas, Brett and Tiao , Grace and Tusie-Luna, Maria and Weisburd, ... We introduce a novel data decomposition scheme to achieve highly efficient .. Ku70/Ku80 hetero- dimer , which may be important in the stability of the telomere.. Author = {Ku, A. K. A. and Xue, J. L. and Guan , Y.},.
. Is Energetically Coupled to Opening of the Transmembrane Domain Dimer ... intrahepatic CCA cases and propose a molecular classification scheme .
. free energy of hard spheres via a novel thermodynamic integration scheme .. Decay as a New Source of Low Energy Electrons in slow Ion- Dimer Collisions.
1 01 1994 - and the oxygen dimer (O2-O2) (Atkinson et al., 1997;. Sander et al., 2003).. The overall scheme of such interac- .. R.M. Nagatani, G.C. Tiao , and D.J. Wuebbles, ... Pommier, S. Howard, H.H. Jonsson, H. Guan , M.
Yang, Hao; Guan , Honghua; Dadap, Jerry; Osgood, Richard; Richard Osgood Team .. The first scheme uses second harmonic cascaded with sum-frequency .. and 100 fM dimer demonstrate that single-molecule detection was achieved... Observation Data: The Applicability of the Tiao -Tan Method and Alternative.
Схема подключения диммера своими руками. Простой . Как работает Диммер . Простая схема светорегулятора 00:01: . TIAO GUANG Регулятор света .
Схема подключения диммера своими руками. TIAO GUANG Регулятор света . Простой регулятор яркости диммер для светодиодной ленты своими .
. нельзя шить · шапочка для новорожденного с цветком крючком схема · диммер tiao guang схема подключения · как обработать видео плохого качества .
Порно видео ролики с anita blonde
Порно с morgane gole james brossman sebastian barrio
Транссексуалы форум чат
Девушка и ее первый секс
Голая волосатая жена фото
Порно русского шоубизнеса
Порно целка руское
Засовывает огромный хуй в пизду
Секс русских девок с чурками
Ютуб видео ким кардашьян порно
Секс с инвалидами которых нет конечностей
Зверская секс машина
Порно фото королева
Две девчонки сняли на улице парня для секса смотреть онлайн
Парень вылизывает пизду до оргазма видео крупно
Все порно актрисы brazzers
Кастинг минет сперма
Секс тридцатилетних на даче видео
Пизда с кольцами и цепями оттянутая
Онлайн ебать сисяндры
Писи молодые фото
Частное порно казань
Натурально снятое порно не профессионалами
Секс в новошахтинске видео
Кончить внутрь зрелые русские
Русские мамочки сосут член
Лизать женские стопы
Баба дрочи мужику член
Голые девчонки из группа ранетки
Секс в 6 класе
Негры ебут мужья смотрят порно
Похотливая медсестра рабочим ртом делает минет безнадежно больному
Самодельный самотык для мужчин
Старик трахает девушку секс
Фото гимнасток лесбиянок
Порно онлайн девушка в красном
Фото ебут жену толпой
Порно анал орал видео фото секс
Тинок в порне
Порно пока мама спит дочка трахается с папой
Качественная секс порнушка онлайн
Занимаюсь сексом плохой оргазм
Пердастые старые женщины секс
Порно фильмы с участием русской актрисы мелани
Зрелые семейные пары для секса в пензе
Порно видео с красивыми японками смотреть онлайн
Пежня ру частное
Скрытая камера съемка порно
Мужчины с большими пенисами фото
Грязное влагалище фото
Фильмы сын с матерью в сексе
Фото бомбезных старых волосатых пизд
В легинсах попа
Гсг маточных труб секс
Секс с шахнозабону
Самые сиськатые порно звезды
Гертруда белла в порно
Трансы накончали парню
Секс от русских женщин
Фото длинноногих телок
Русская телка уговорила ей отлизать
Русская сельская порно домашка
Секс новобрачных нд
Домашнее фото зрелых дамочек
Таджикские видео порно
Теща порно фото домашнее
Японское шоу карусель порно
Секс в трусах и лифчике
Пизда королева фото
Секс смотри плачет
Порно двое трахают русскую девушку видео
Жанна фриске секс клип
Как дрочат старые тетки
Ття и дядя занимаются сексом
Порно зять теща и соседка
Обнаженная мария кожевникова голая
Зрелые лесби порно ролики
Жестко ебут бомжей порно
Анастасию кочервей ебут
Сексуальные блондинки в красных трусах порно
Элитные транс проститутки
Женщинны секси порно
Подсматриваем за старушками
Порно гей фистинг видео
Американская порнозвезда с множеством татуировок
Анал в чулочках
Видео тетя помогла кончить
Необрезанные члены у парней
Фото алисы милано и голые знаменитости
Порно совращения лесбиянки
Сочные голые дамы бальзаковского возраста фото
Порно мультфильм член 3d
Обтягивающая одежда на голых девушках
Порно зрелые русские предметы в пизду
Гиг порно звезды порно
Азиатские порно в транспорте
Порно японок пытают
Выебали в библиотеке порно онлайн
Анимация нежное порно
Секс казантип голые танцы



















Первый секс пособие для девственников
Деревенская порнуха сперма во влагалище смотреть
Русское бальничное порно онлайн
Порно онлайн застукал с любовником
Порно мульты смотреть и без регистрации