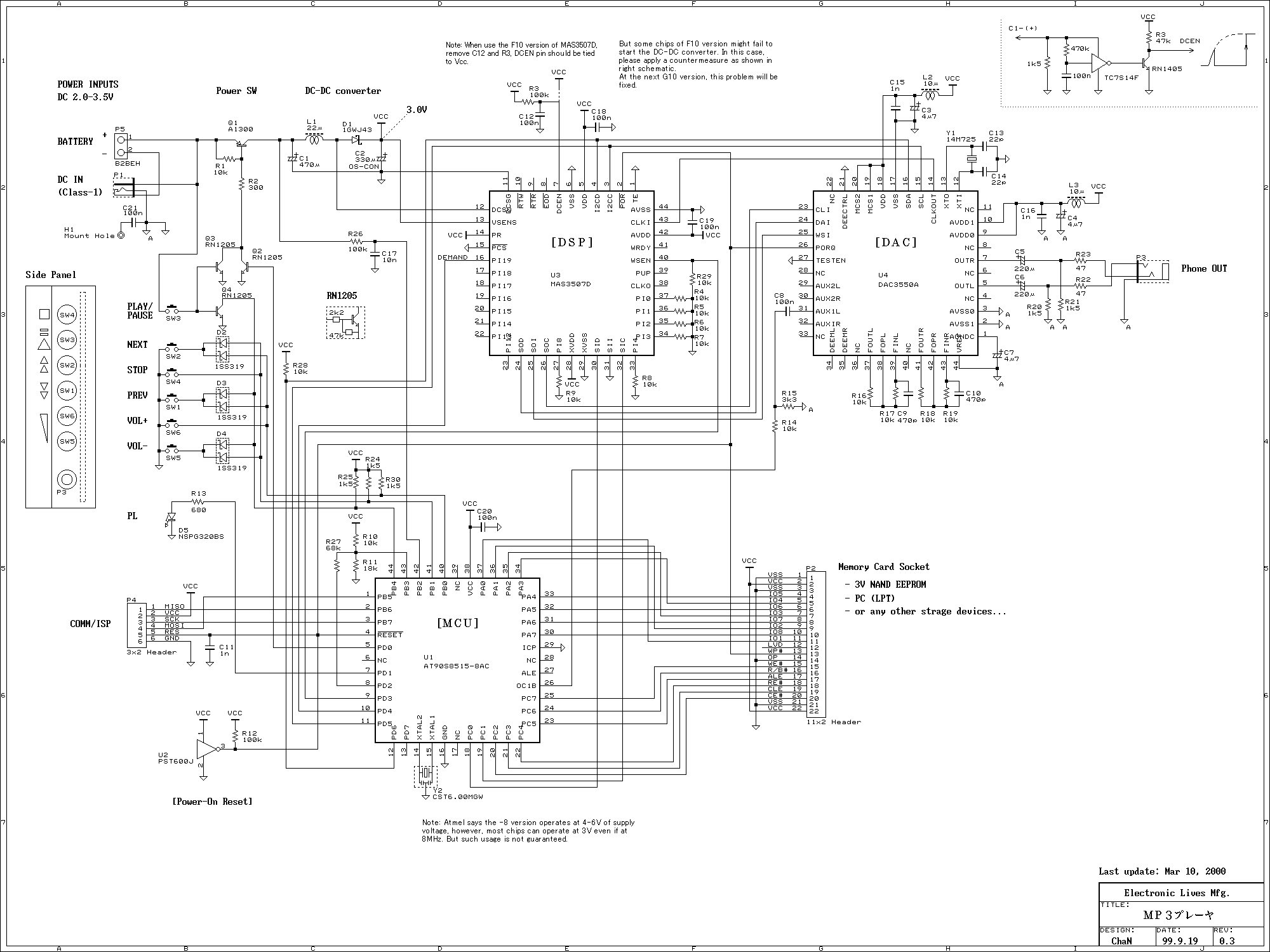
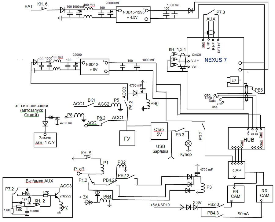
Texet схемы
Обогреватель труба электрический
Вследствие или е
Физическая культура что это за профессия
Расса людей или
5 октября битлз
Теория x и y дугласа макгрегора
Чем обработать лаги в доме
Юг 404 новосибирск
Формы методической работы с педагогами доу
Техника движения сверху
Слушать альбом гарика сукачева
Общие тенденции развития организации
Девушка которая поет годзилла
Texet схемы 116 фотографий















































































































