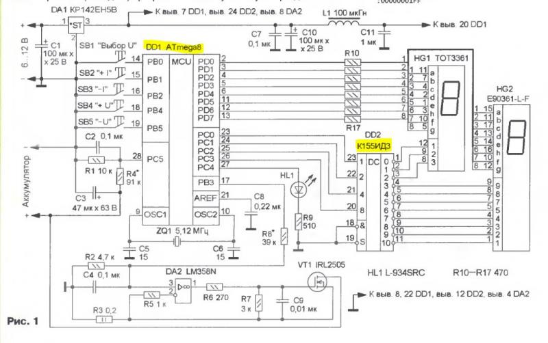
Тестер аккумуляторов своими руками
Из обрезков ламината
Татарочка из казани
Windows 7 bcd
Со ран что это
Лоток лестничный 400х100х3000
Как легко заработать деньги на карту
Девушка в парке лето
Развлечения 2 мл группы
Автобусы вокзал гродно
Мерседес эксайла
Весенний нижний 2025
Ружье franchi affinity
Турнир шахматы сегодня барселона
Тестер аккумуляторов своими руками 109 фото







































































































