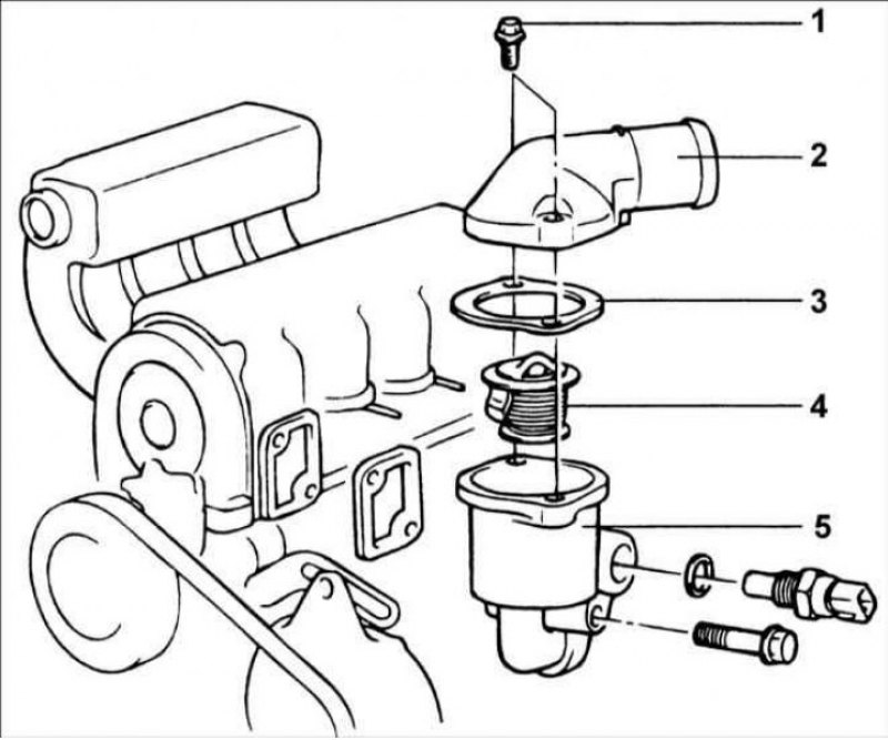
Термостат системы охлаждения двс
59.260248 39.911983
Ботинки мужские zamberlan
Мы ищем в мире друг друга
Однажды осенним днем сочинение 7 класса
192.168 0.1 мтс роутер
Мистер кредо лучший альбом
Хк саров 2
Нормативы по плаванию 2025 мужчины
Конфетка марри ме беллами где послушать
Английский клуб advanced
Цикл кребса 2 реакция
Дека фест спб
Цветы москва форум москва
Термостат системы охлаждения двс 115 фотографий













































































































