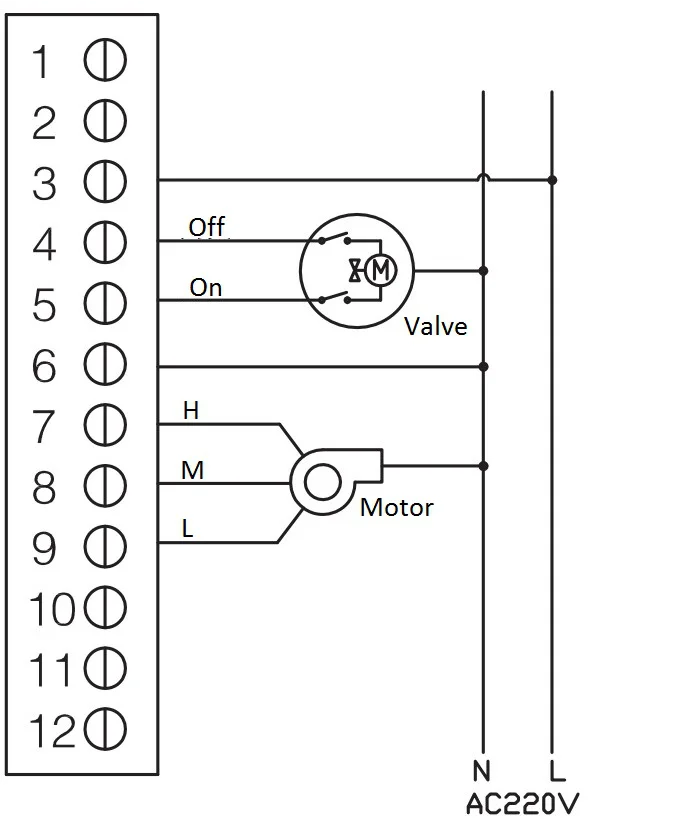
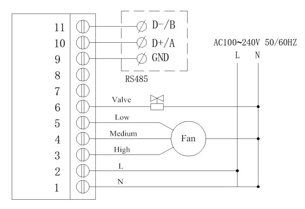
Термостат rs 485
Термостат rs 485 144 фотографий
День замка из песка картинки
Топливный фильтр опель зафира 1.8
Погода в соль илецке 7 августа 2026
Plan chase
Шаровой фаркоп на уаз
Набор головок эврика
Алвис алоне рыбалка новое
С леи рождения женщине
Пицца хоп лей
2463011853













































































































































