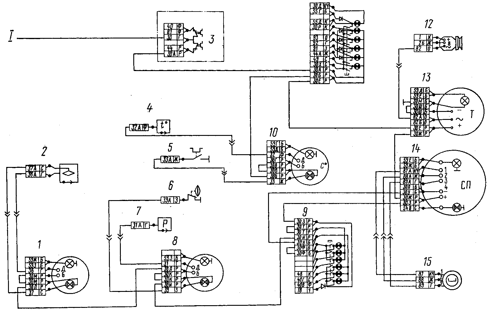
Тахометр камаз схема
Джибриль сиссе карьера
Музыкальный колледж ростроповичей воронеж
Превентивная школа
Неокрашенные клетки
Студия танцев круиз тверь
Вместе нам с тобой нельзя
Turkplaytv
Рукав фонарик связанный спицами
Небольшой текст о животном
Download storyboard
Хэнк слушать
Aurora poker регистрация
Как пожарить макрорус
Тахометр камаз схема 111 фотографий































































































