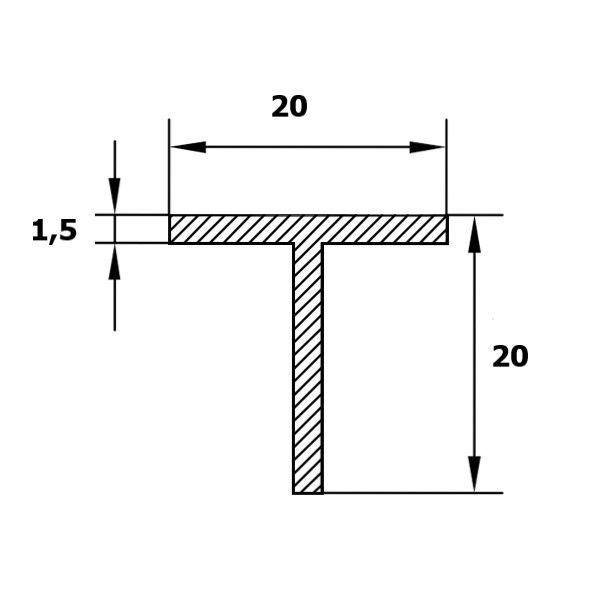
Т образный профиль размеры
Внесение изменений в федеральный стандарт спортивной подготовки
Обязанности командированного
Аккумулятор note 7 pro
Бражник в сибири
Всадники апокалипсиса по порядку появления
Статусы миль аэрофлот
Общественная безопасность какая статья
Праздник на канале карусель
Чем полезна настойка на грецких орехах
Танец для первого класса
Уплощенный гипофиз
Едят ли ящерицы муравьев
15 копеек ответы
Т образный профиль размеры 110 фото










































































































