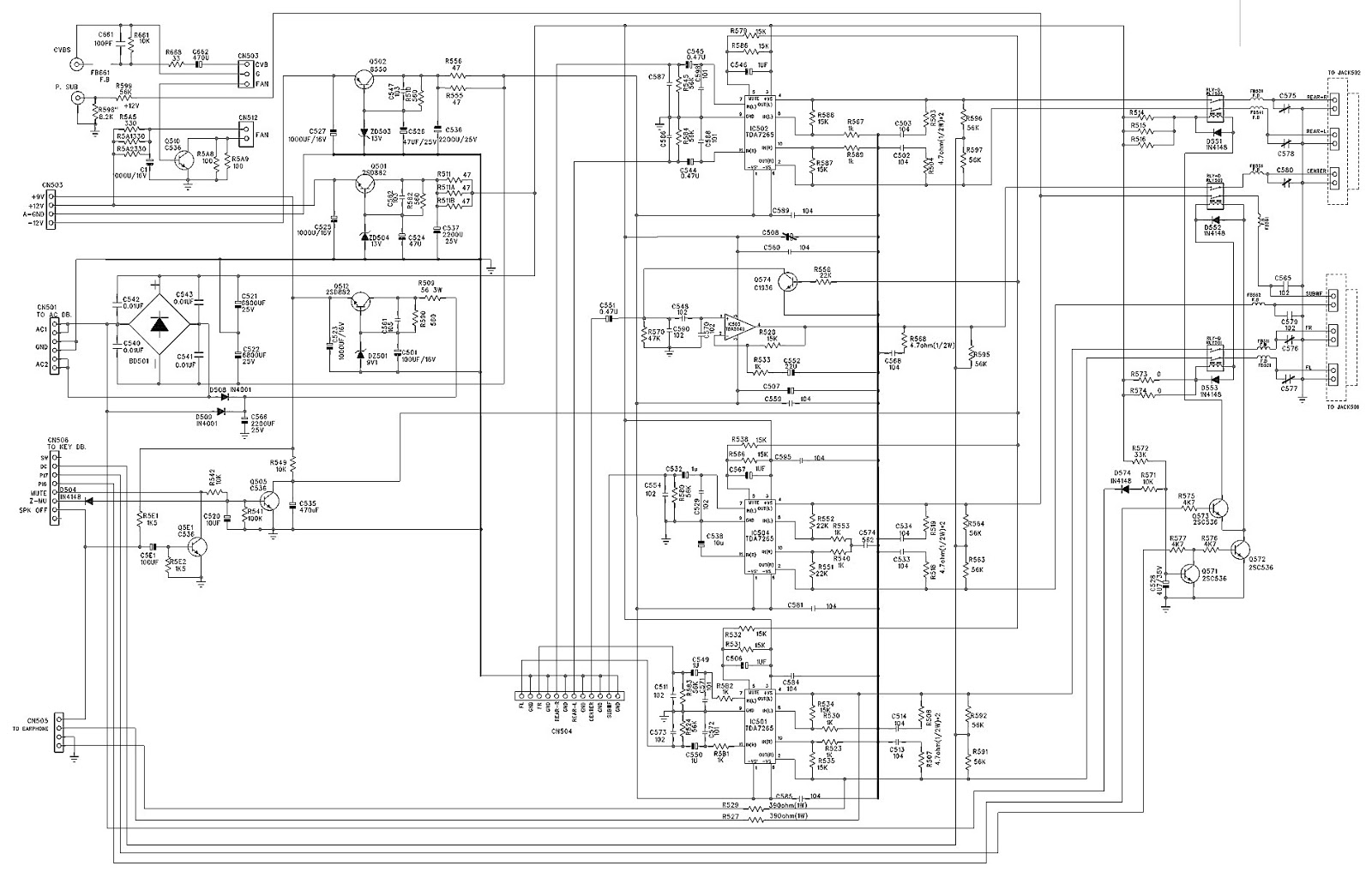
Switching power supply design
524 620
324 минус
Кбк вологодская
Электричка лианозово талдом расписание сегодня
Функции в visual basic
Кадровые агентства ярославль
Алмазные электрические точилки для ножей
Элан маска
Снится парень который признается в любви
Карпаччо сколько калорий
С песней по жизни текст
Принудительное включение вентилятора 2110
2 класс пришла золотая осень
Switching power supply design 104 фотографий



































































































