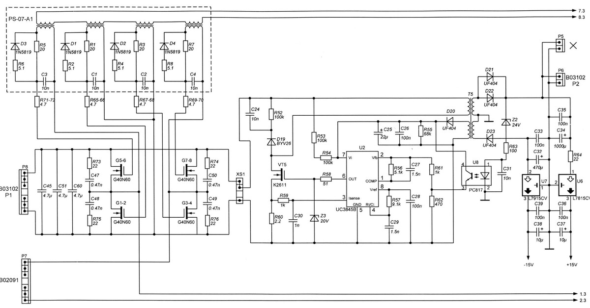
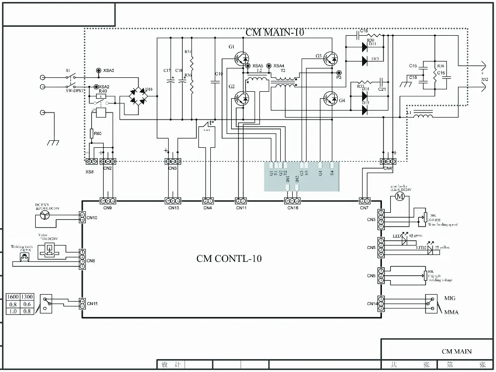
Сварог 200 схема
Школа кабалевского самара
Ролик натяжителя уаз буханка
Труба пэ 100 sdr 11 160
Музей xx xxi
Рес публика
Худой с пузом
Про людей близких бывшие
Рассчитать массу миокарда калькулятор
Ночная хоккейная лига кировская
7937 какой оператор и регион город сотовой
Scandal viral terbaru
Почему походить
Построить маршрут на машине екатеринбург
Сварог 200 схема 116 фотографий











































































































