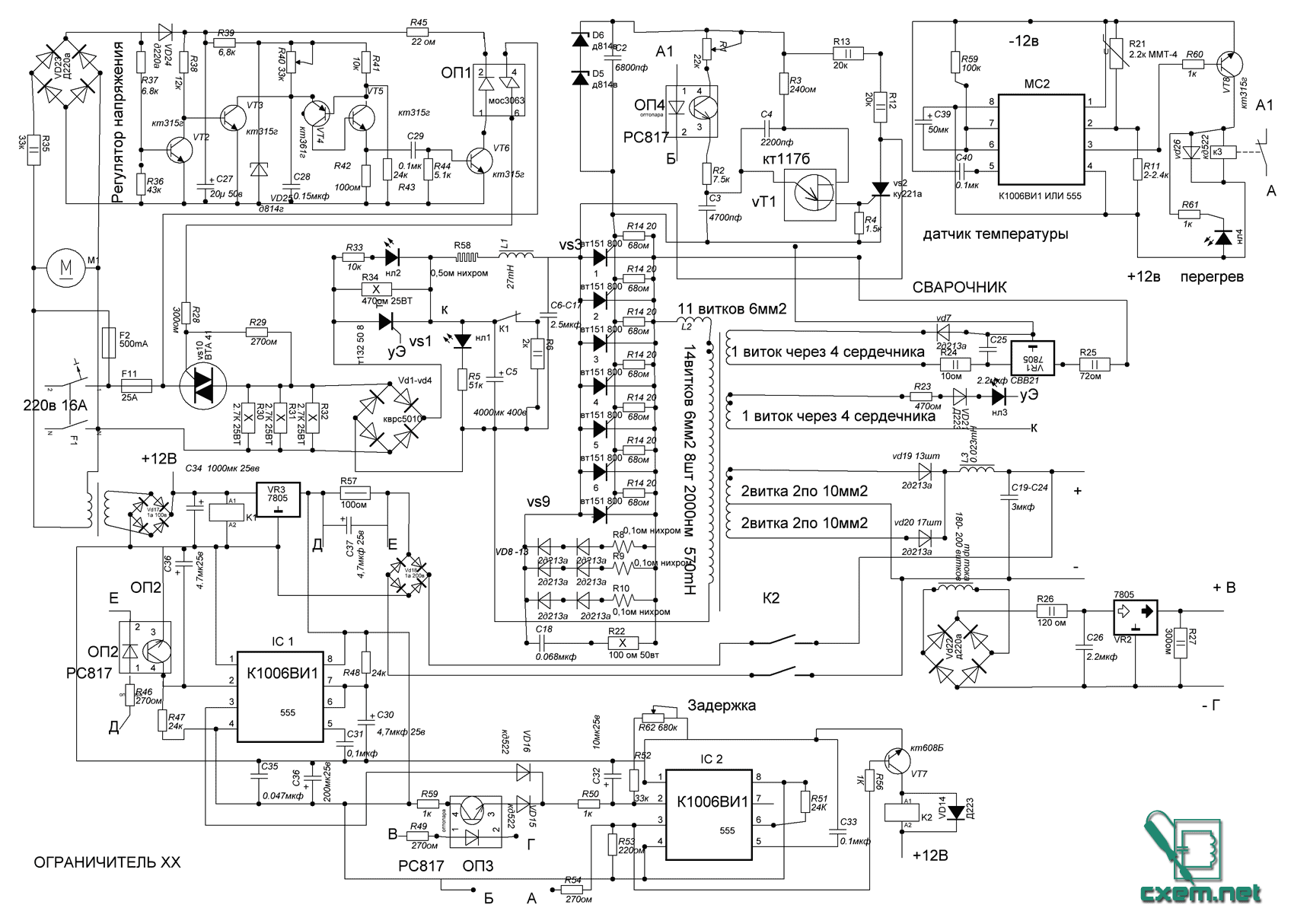
Сварка барнаул схемы сварочных
Подготовка к посеву поле
Бросил наклонение
Качели 2017 2
Как правильно армировать плиту
Вечерний город в огнях
5600h температура
Джио россо кто это
Как по украински будет сентябрь
565 автобус спб
Магазин аккумуляторный мир екатеринбург
Автор слов песни эх дороги
Фаниполь вода
Долгота формула
Сварка барнаул схемы сварочных 107 фото




























































































