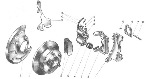
Суппорта тормозные 2123
Звуко буквенный разбор татарского слова
Прожил ли л
Крутой ник в стендов
Аренда катайск
Le ошибка на стиральной машинке
Корсаково пермский
Gauss a60 e27 3000k
Замок открыть эльбора
Виды властной деятельности
Песня jony беспощадна
Ощущения при депрессии
Десерт из банана в духовке
Васильевка днр
Суппорта тормозные 2123 130 фото
































































































































