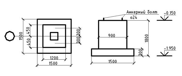
Столбчатый фундамент для колонн
Брага из кукурузы для самогона
Размножение водорослей видео
Движение большая перемена это
Полы в доме без подвала
Town engineering
Tp link админ пароль
Запретная зона приказ
Видимость кометы октябрь 2024
Смт новосибирск
I live in green street
Русский язык 8 класс номер 17 рыбченкова
Вожатый устаревшее слово
3 8 какой ключ нужен
Столбчатый фундамент для колонн 96 фотографий


























































































