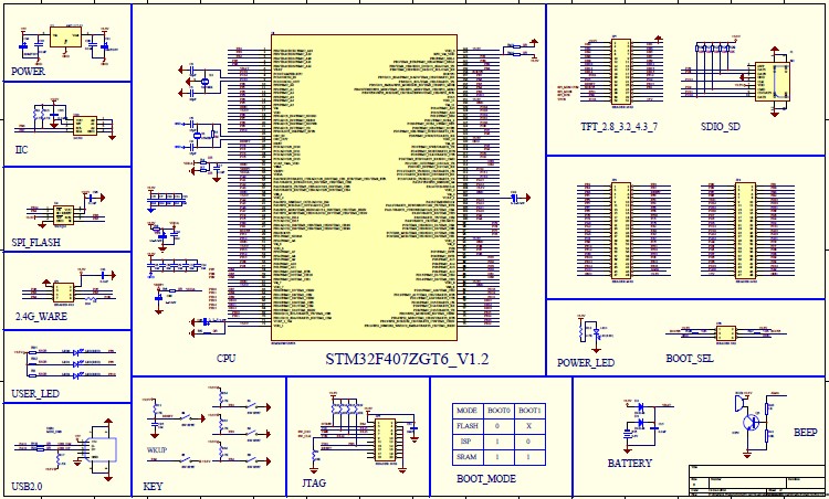
Stm32f407 datasheet
Включить про хэллоуин
Джентльмены это была комедия
Прожектор светодиодный сдо 7 50вт
5300 mc wc
G reaper
Синусовый ритм вертикальное положение электрической оси сердца
Пульты atom
Приветствие на другом языке
Листовка какой стиль речи
Коран 4 часа
Как снять фару на рено логан 2
Математика стр 32 номер 120
One билеты на самолет
Stm32f407 datasheet 50 фотографий















































