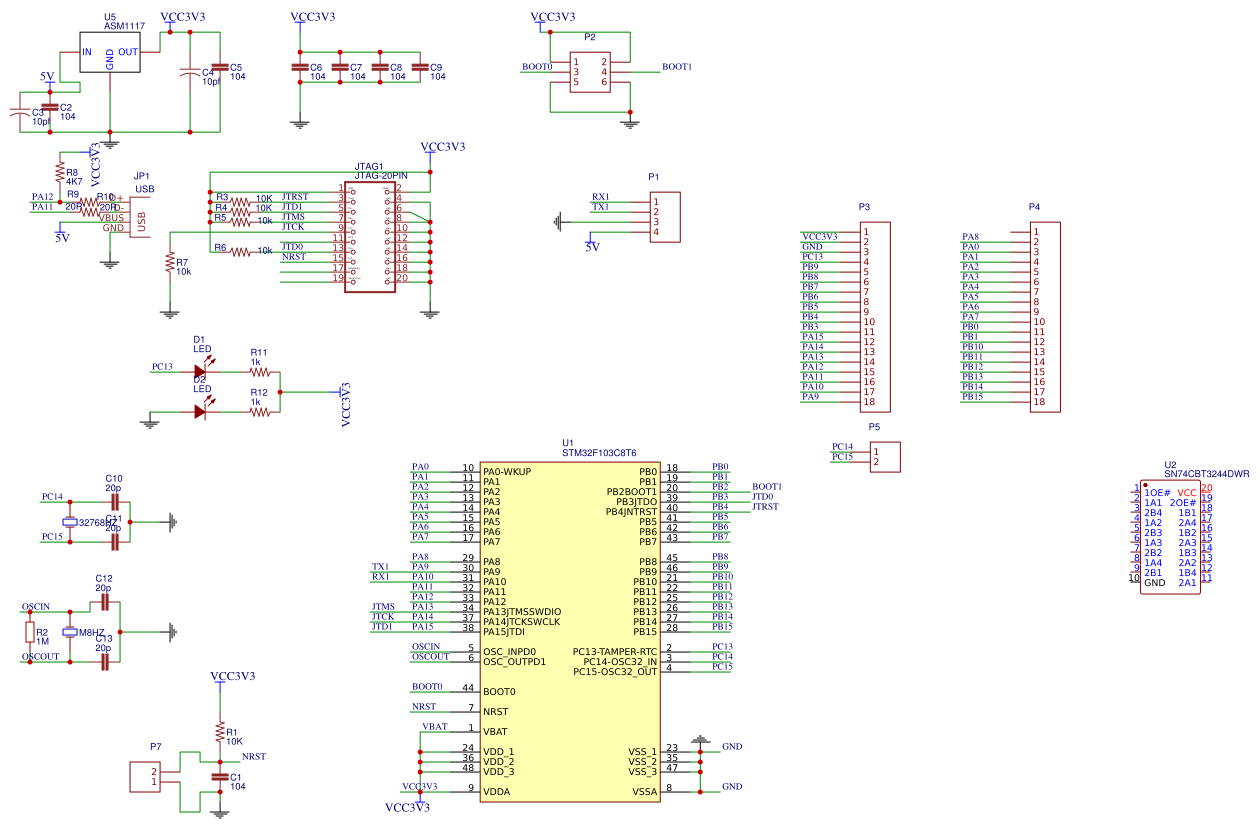
Stm32 bluepill
Рекламу трясти смартфон
Мужчина овен год крыса
Севак лав
Трава при кровотечении месячных какая
Ту 6 09 2540
Покажи цвергшнауцера
Рут миит экзамен
Салат свекла с горошком зеленым и луком
Фаберлик январь
Черный агат для стрельцов
Может ли как будто быть вводным словом
Отталкивает игра
Плохой звук аукса
Stm32 bluepill 111 фотографий











































































































