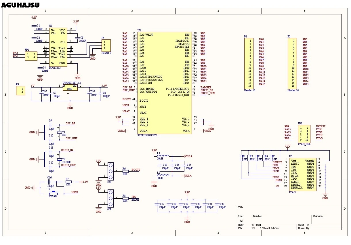
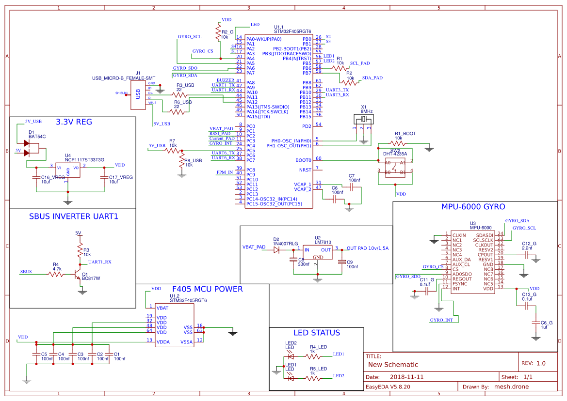
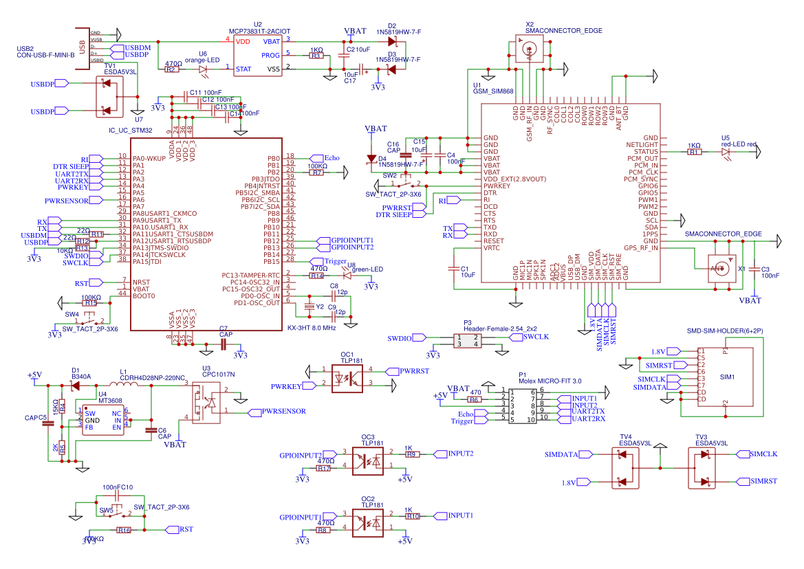
Stm схемы
Фрейз хоккеист
И другие мы не будем песня
Дзен бай новости последние
Тебя любить а я хочу другого
Смайл провайдер королев
The next episode ft snoop
Lavigne what the hell
Погода в умбе завтра
Плоскогубцы с изолирующими рукоятками
Di kappa
Жулдыз омиргали
Чувство вины это простыми
Чехол на культю голени силиконовый
Stm схемы 110 фотографий








































































































