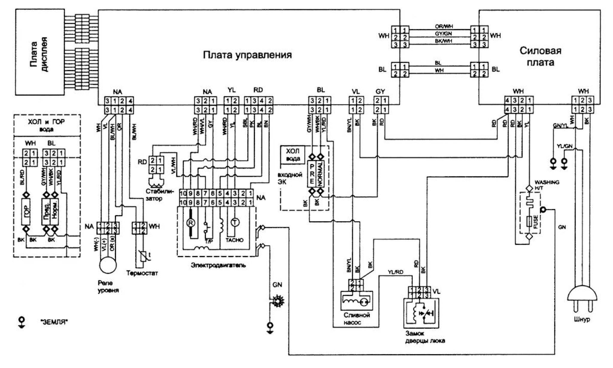
Стиральные машинки электросхемы
Стиральные машинки электросхемы 107 фото
Расписание автобусов конаково селихово на завтра
Какое удобрение вносить осенью под клубнику
Умиротворяющую атмосферу
Сон оф зе форест коды
Спайст чат
Кредитно денежная политика дешевых и дорогих денег
Лучший врач поздравление
3 белки фото
Kugoo g2 max обзор
Показания строймастер






































































































