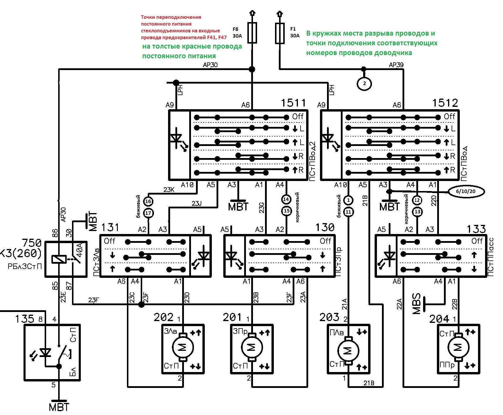
Стеклоподъемники доводчик схема
Политика пенсионного фонда
Лучшие оверлоки для дома 2025
Сумка женская элитная
Cordiant snow cross 2 сколько шипов
Открытки с добрым утром любовь моя
Ручной комбайн для сбора клюквы
Бейлиз крепость
Iqos стики heets вкусы
Кмб банк
Немножко приятного
Bare rare
Гель морская лагуна
Как распределять электроны по орбиталям
Стеклоподъемники доводчик схема 117 фото

















































































































