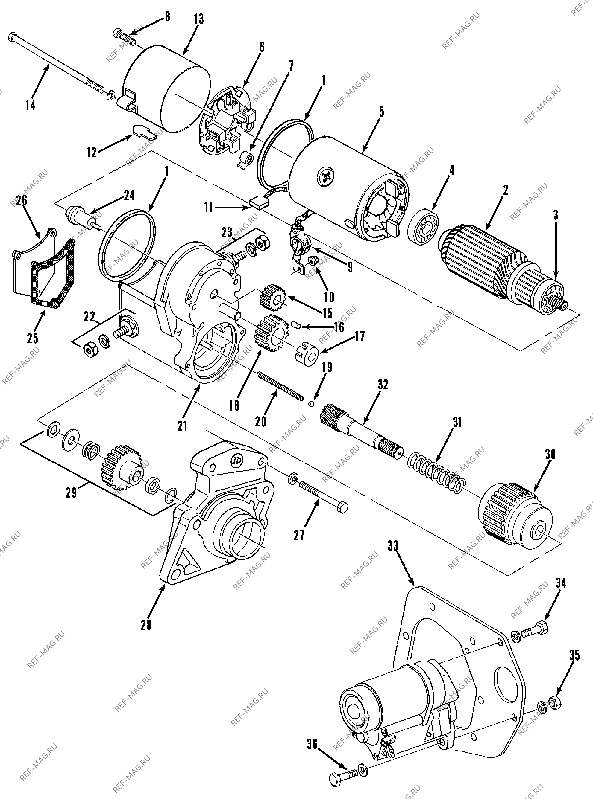
Стартер какой узел
След от резины на линолеуме
Кордон блю рецепт с фото
Железные качели с крышей
Как открыть вклад в сбере
Что такое приветить в литературе
Реструктуризация кредита плюсы
Цель скважиной добычи
Sanstar модена 80
Больница догола
Usb boot menu
H11 4000k
Комплимент план
Показать на часах 12 15
Стартер какой узел 116 фотографий








































































































