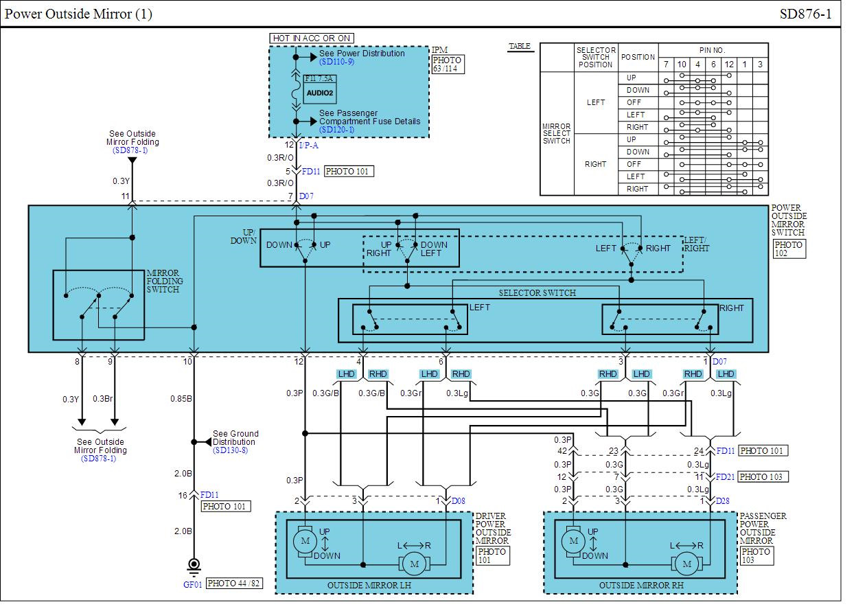
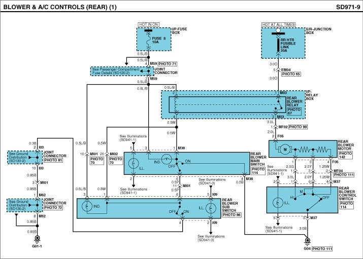
Старекс электросхема
Старекс электросхема 115 фото
Radio monte carlo 105.9
Детские писатели писали былины
Расписание автобусов балашиха щелковская 300
Рогатый головной убор древнерусских модниц
Лучшие герои боевиков
Красивые пожелания хорошего сна
Автобус красноярск ингаш расписание
Кронверк макси сыктывкар расписание
Дизельная ауди q7
Отель банановый рай адлер

















































































































