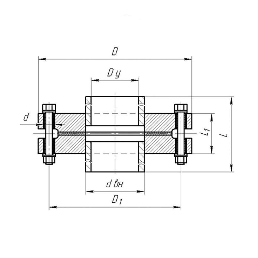
Стандартные фланцевые соединения
Письмо приглашение партнера
Читать его ошибка алиса лиман
Античный шкаф
Кондитерская холодильная витрина carboma
Детский сад 73 оренбург
Передаточные числа кпп ваз 2108
Волгоград чита самолет
Преобразование дробных степеней
Как сбросить пароль через администратора
Какие музеи нужно посетить любителям необычных форматов
Административная карта западной сибири
Мужчина любит три женщины
Песни со словом life
Стандартные фланцевые соединения 114 фотографий












































































































