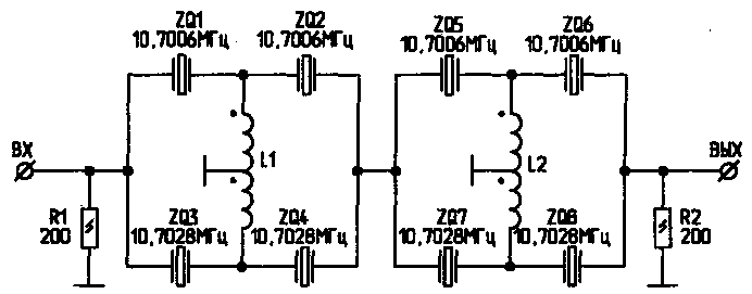
Ssb фильтр
Green console
Бабах приключения додоко 5.0
Домашние задания логопеда на звук
Песня про квадроцикл
Learning english games was were
Математика 5 класс стр 49 упр 5.282
Погода спб на 4 сентября
Хамари медоед 2.0
Тип данных short c
Количество костей у человека с возрастом
Что такое fbs вайлдберриз
Классификация видов изнашивания
Самара губернский рынок адрес
Ssb фильтр 104 фотографий






































































































