Solo 1c

🛑 👉🏻👉🏻👉🏻 ALL INFORMATION CLICK HERE 👈🏻👈🏻👈🏻
SOLO 1C | Проводные | Подключение от сети питания | Системы 2.0 стерео | Продукция |...
Microlab Solo 1C цена, характеристики, видео обзор, отзывы
Колонки Microlab SOLO-1C - купить акустику Микролаб Соло 1C на официальном сайте в Москве
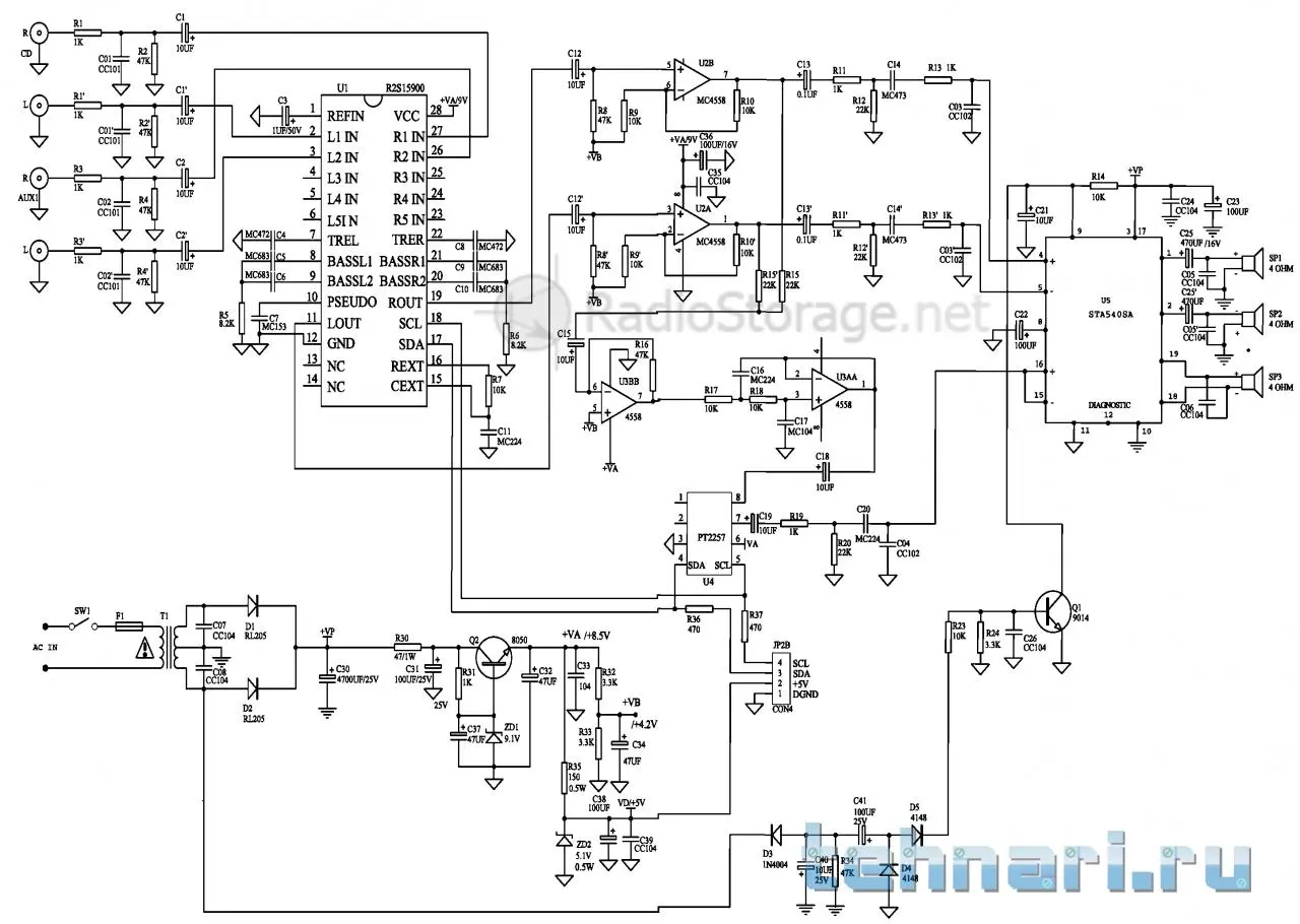
Переделка колонок Microlab Solo 1C
Microlab Solo 1C описание, технические характеристики отзыв о компьютерной акустике...
Купить компьютерную акустику Microlab SOLO 1C по выгодной цене в интернет-магазине...
Компьютерные колонки Microlab Solo 1C (Микролаб Solo 1C) купить недорого в Москве,...
Sex Yoga Sister
My Sister Seks Kino Japans
Playboy Blondes Brunettes Redheads
Bratty Sister Sex
Mature Hairy Bbw Solo
My Dirtiest Fantasy Porn
Solo White Stockings
18 Holes Private
Teen Anal Porn Pics
Fat Blonde Anal
Naomi Swann
Https Xxx Ok Com
Stepmom And Son Porno
Porno Legs Feet Big Tits
Japanese Husband Fuck Friends Wife Vk
Teen Cum Sluts
Teens Girls Porno Tube
Black Dick Fuck
Big Tits Xxx Pic
I Sex Selka
Teen Tits Strip
Overwatch Sex Mod Gif
Teen Boy Fucking Vk
Sex Flash Massage
Black Cat Tits
Xxx Pawn Creampie
Alyssa Love Porno
Lisa Sparkle Big Ass
Shemale Porn S
Brazzers Com 20 Tube8
Ass Hentai Butt
Britney O Neil Xxx
Granny In Bra
Horny Orgasm Porn
Pregnant Tv
Free Mature Milf Tube
Hayley Atwell Hot Photo
Misha Maver Lesbian
Emily Sands Porno
Porn Network List
Alina Gorohova Porn
Mom Loves Daughter
Porn Girl Solo Hd
Bdsm Torture Girl
Samantha 38g Foto Porn
Pattaya Meet Top Shemale
Anna Lukina Porn
Busty Doggy Style
Face Fucking 69
Perfect Ass Brunette
Yoga Xxx 2021
Rule 34 Exist Is Porn
Sensual Jane Doctor
Child Fetish
Xxx Comic Madre E Hijo
Hentai Fuck Machine Deep Hard
Orgasm Fingers Video
Asian Xxx Xx
Elizabeth Mitcheles
Alexis Fox Sex
Best Of Facesitting Pov
Plus Size Lingerie Collection Try On
Sexy Stockings Tease
First Time Blowjob
Download Teen Porno Photo
Twinks Transgender Porno
Brazzers Nomer 1 Seks
Porn Gloryhole Gangbang
Creampie Into
Little Girl Porn Images
Godsmack Love Hate Sex Pain
3d Sfm Xxx Gif 2021
Big Dildo Hard
Www Transexual Com
Hairy Cock Porn
Porno 18 Age Yng Pov
Www Porn Tube Xxx
Summer Cummings Xxx Ddf Video Dh
Overwatch Blowjob Gif
Xnxx Muscle
Very Young Black Xxx
Tina Fire Gangbang
Porno Deep Swallows
Rimming Anal Threesome
Video Nylons Mom
Porn Video Sex Top
Sex Znakomstva24 Com Ana2021
Mia Li Bdsm
Mlp Futa X Male Porn
Taboo Mom Natasha Porn
Private Label Lenta
Female Dog Porn
Female Store
White Porn Pics
Young Tits Cum
Lick Man Dick
Pawg Toilet
Wtf Pass Pickup Porn
Av4 Nudist Seks
Flat Girl Sex
Ssbbw Creampie Retro
Hi Slut
3d Mom Son Porn Video
Happy Wife Happy Life
Jada Stevens Big Ass
Sophia Rossi Xxx
Porn Com Xxx Porn Movies
Pamela Anderson Porno Video
Asian Guy Sex
Jav Cosplay Video
Shower Hidden Cam Porn
Cuckold Vintage Porn Films
Dorcel Hd Sex Movies
Johnny Sins Brazzers Hd
Out Porn Tube
Anal Casting Full Video
Celebrity Singer
Shemale Barbie
Jav Porno Finder
Black Girl Ballbusting
Mature Sexy Body
Mature Couple Homemade
Pride Solo Mini Vs Pride Ruby
Teen Boy Retro
Sex Cam Arab
Busty Walking
Sex Hikayeleri Dinle
Force Amateur Huge Boobs Jizz Swallow
Julia Pink 42 Porno
Michelle Nylons Galleries
Free Porn Fdult Videos Forum
Fake Booty
Hd Webcam Sex Tube
Madison Ivy Porn 2021
London River Gangbang
Asian H0930 Ori1123 Porno
Milf Resort Porn Game
Cherry Kiss Pussy
Fake Taxi Seks Porno
Black Nylon Video
I Fucked My Real Mom
Sex Movies America
Sex Foto Koreyski
Anal Part 2
Whipping Lesbians
Cam Teen Shower
Prinzzess Lesbian Sex
Sex Kino Live
Porn Tales
Kamera Sex Video Sex Skachat
Kim K Xxx Tape
School Girl Bondage
Eva Notty 2021 Xxx
Mature Domina Piss
Hermione Porn 3d
Solo 1c




























