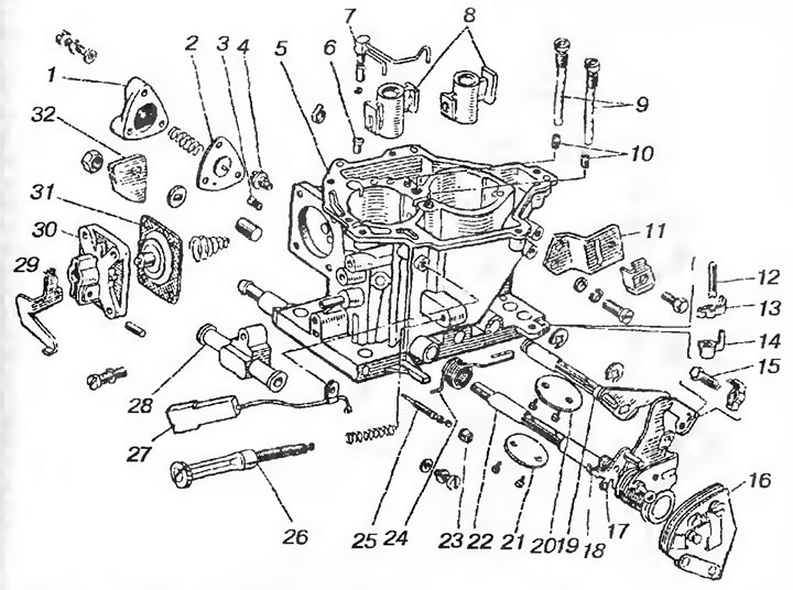
Солекс 21083 схема
Какой размер шин на шевроле лачетти
Дата рождения анализ нумерология
Вариант 18 огэ география 9 класс
Рыбалка на оке с берега
Пошив изделий москва
Сроки перечисления субсидии
Забайкальский край улеты прогноз
Семена чиа как правильно употреблять рецепты
Грант 2025 ұбт
Матем номер 215
Что сейчас происходит на границе 2025 год
Новороссийск темрюк км
Игра открыть ресторан
Солекс 21083 схема 118 фото















































































































