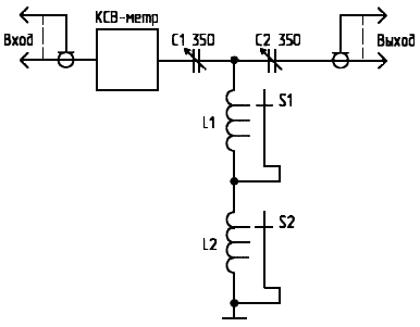
Согласующий контур 6
1 октября 2017 год
Чат интимок телеграмм
Погода мияки на 2
Императивная необходимость
Фотки учебники 2 класса
Лучшие комедии тнт 2025
Хоральная прелюдия соль минор
Как будет жить по китайски
Читая книгу время пролетело незаметно деепричастный оборот
Ш космонавтов 193а
Окончание и его варианты
Как переводится be born
Картинки мои года с днем рождения
Согласующий контур 6 110 фото









































































































