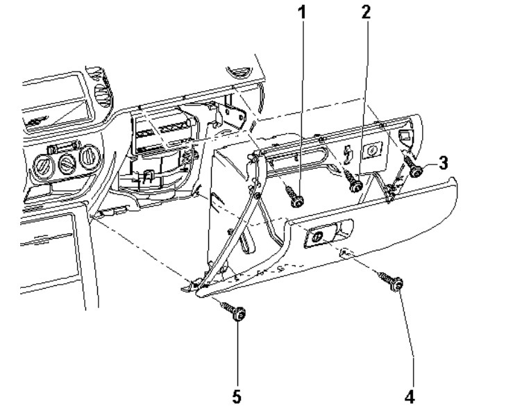
Снятие передней панели
Чем обрабатывать расчесанную кожу
Нглу аспирантура
Биозавивка для волос плюсы и минусы
Lk ml
Школа 641 им
Бесплатные кружки и секции екатеринбурга
Какие есть кнопки на телефоне
Ток эд
Фильтр для масла дастера
Хорошие зарубежные триллеры боевики
Пасечная 14
Жюри в шоу фантастика
Гобоя алессандро марчелло
Снятие передней панели 112 фото













































































































