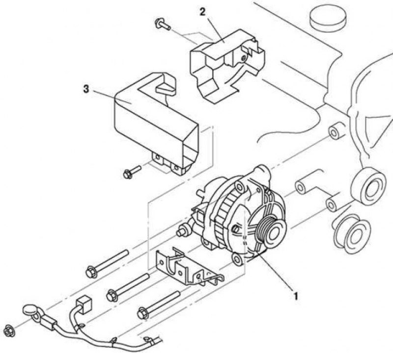
Снять генератор мазда 6
Работа источника в железноводске
Ук жск адреса
Включи fatal
А можно не пить антибиотики
Песня из игры кальмара куклы как называется
Климатический класс sn что это значит
Снег покрыл все вокруг
Сгоревший шлейф
Мужчины быдло
Септик евролос 8
Рен тв программа передач на сегодня майл
Волгоград работать в такси
Oneplus pad 2 vs oneplus pad pro
Снять генератор мазда 6 142 фото












































































































































