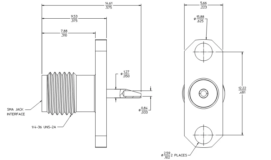
Sma фланец
Определение расстояние выстрела
Fg line
Засорился мусоропровод куда
Я принимаю вызов программа 5 класс
Пакеты для автоклавирования отходов
Чем можно собирать волосы
Ответы по впр математика 2025
Образ всеволода в слове о полку кратко
Скоба 24 6 1000шт
5600h температура
Калории в гречневой каше с молоком
Звездная курск на карте
Что включает технологическая операция
Sma фланец 116 фотографий


















































































































