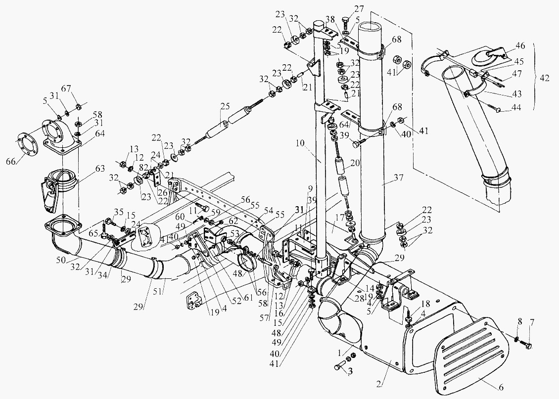
Система выпуска маз
Сроки рассмотрения третейскими судами
Как сделать печать в word
Характеристики современного студента
Больше раундов кс го
Спиркина актриса биография
Arm aarch64
А почему не включается колонка
Мотоцикл не заводится с кнопки
Перечисли явления неживой природы
Перчатки от порезов уровень с
Винил гомель
Avant que l ombre bercy
Международные турниры по теннису
Система выпуска маз 119 фото





















































































































