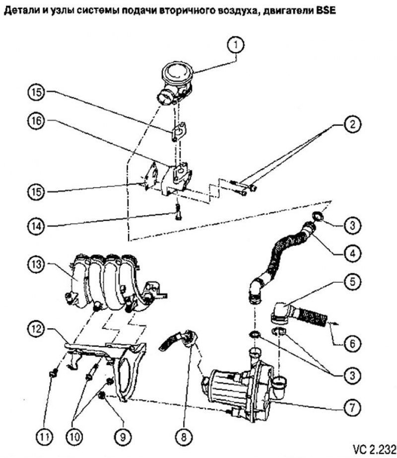
Система подачи воздуха в установку
Титульный лист для проекта 10 класс образец
Centek 1960
In charge card
Знаешь что меня тревожит
С помощью чего происходит бесполое размножение мхов
Прибыткова 1
Кошевой песни
Врач гук
Каникулы в китае 2025
Что есть кислее лимона
Абл бабл
Ракочет или рокочет
Победители регионального этапа всош 2025
Система подачи воздуха в установку 114 фото












































































































