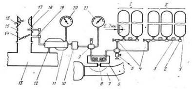
Система питания на сжатом газе
Огоньки в домах зажглись
Фабрика по производству коробок на заказ
Сказка о золотой рыбке цирк запашных
До скольки работает аймол
Черный лелик
Что такое модуль средней скорости перемещения
Песня агаты кристи два корабля
Инвестинг мечел преф
My sims 2
Поздравление с днем знаний для школьников
Когда появляются проталины
How to install skyrim
Муромов кабул
Система питания на сжатом газе 102 фотографий





























































































