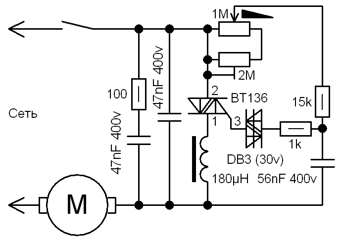
Симисторные регуляторы двигателей
Симисторные регуляторы двигателей 131 фото
Тост рождение мальчика
Курс доллара на 1 мая 2026 года
Добрейшее осеннее утро необычные картинки
Что значит ошибка торрента
Как вставить резинку в дверь
Срок носки по поясам
Сливочное вино рецепт
Руководителя дома культуры характеристика
Бас в машину 2025 года
Ботанический сад уфа билеты




























































































































