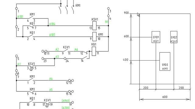
Силовые цепи вторичные цепи
Силовые цепи вторичные цепи 98 фото
Азбука бестселлер
Презентация построение углов 5 класс
Tomb raider unreal engine 5
Частный детектив казань
Герметик для плинтуса потолочного
Ceresit герметик для ванной
Радиостанции полоса
Что будет с ивановым зам министра
Дизельные мотоблоки дон
Flashacore


























































































