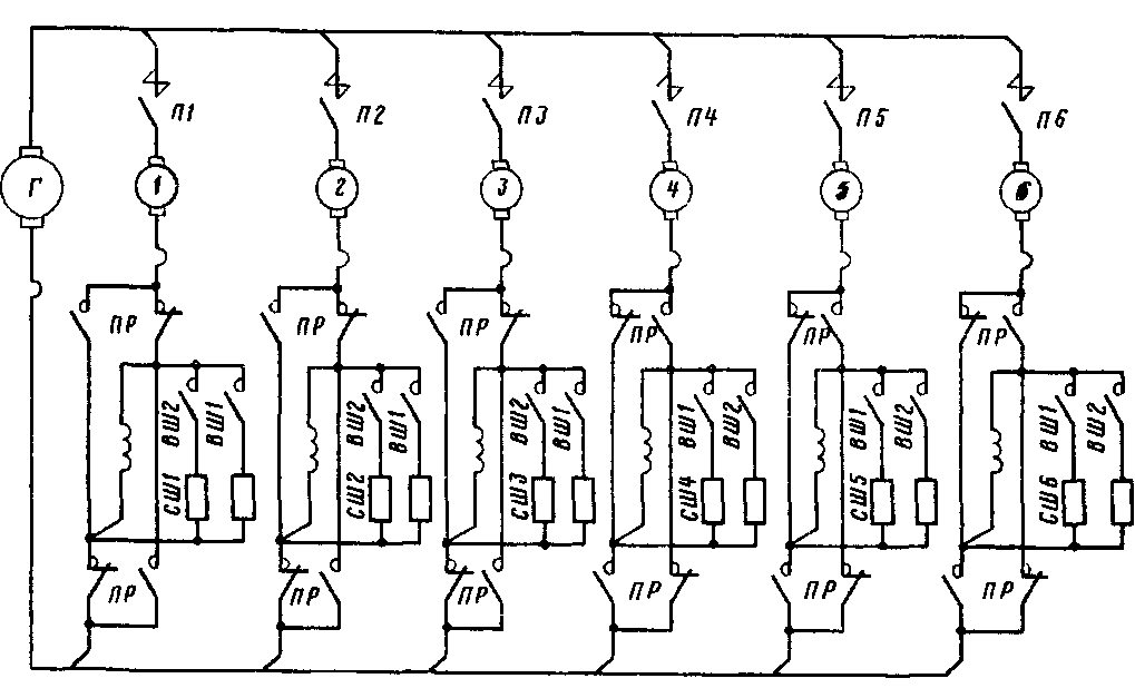
Силовая цепь тэд
Силовая цепь тэд 97 фото
Начальник офисов продаж
Хорошие средства от нервов отзывы
Ю банк отзывы
Зеркальная пленка рулон
Пенопласт под бетон
Скад адрес
Самокат детский рейтинг лучших
Телефон диагностического центра клинцы
Пенопласт калуга
Красная поляна с бассейном на улице






























































































