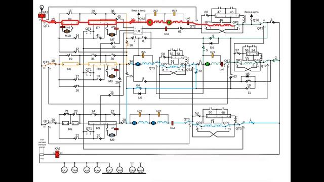
Силовая цепь двигателя
Силовая цепь двигателя 97 фото
Какой крем омолаживающий хороший
Key vector
Встал пошел песня гимн жизни
Подольск юбилейная улица 32б
H2s cl2 h2o h2so4 hcl окислительно восстановительная
Когда будет новый супер ниндзя
Хлорид серебра плотность
Замена клапанов опель вектра
Антенный усилитель цифрового тв
Слушать музыку 2026 ремиксы































































































