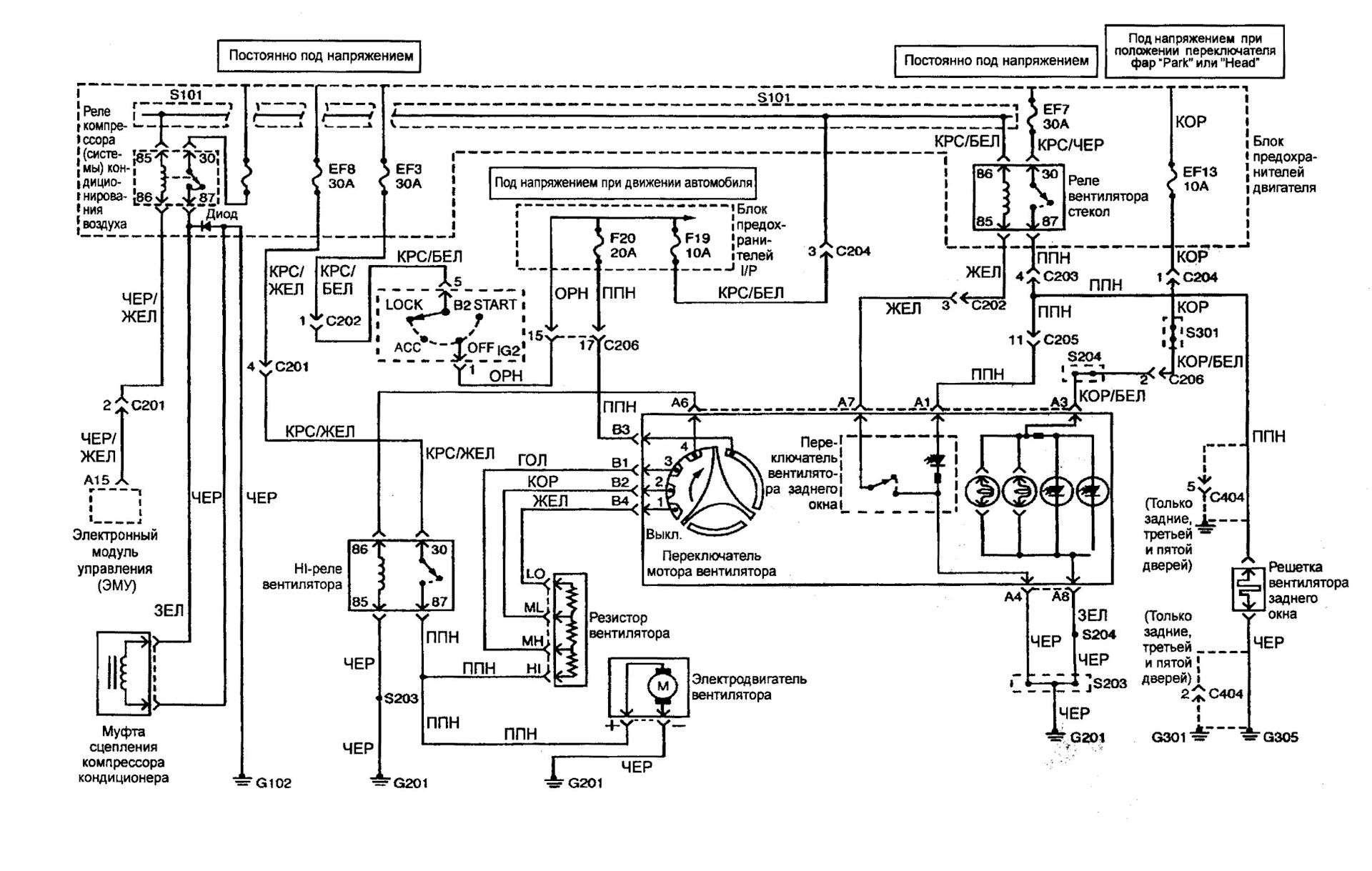
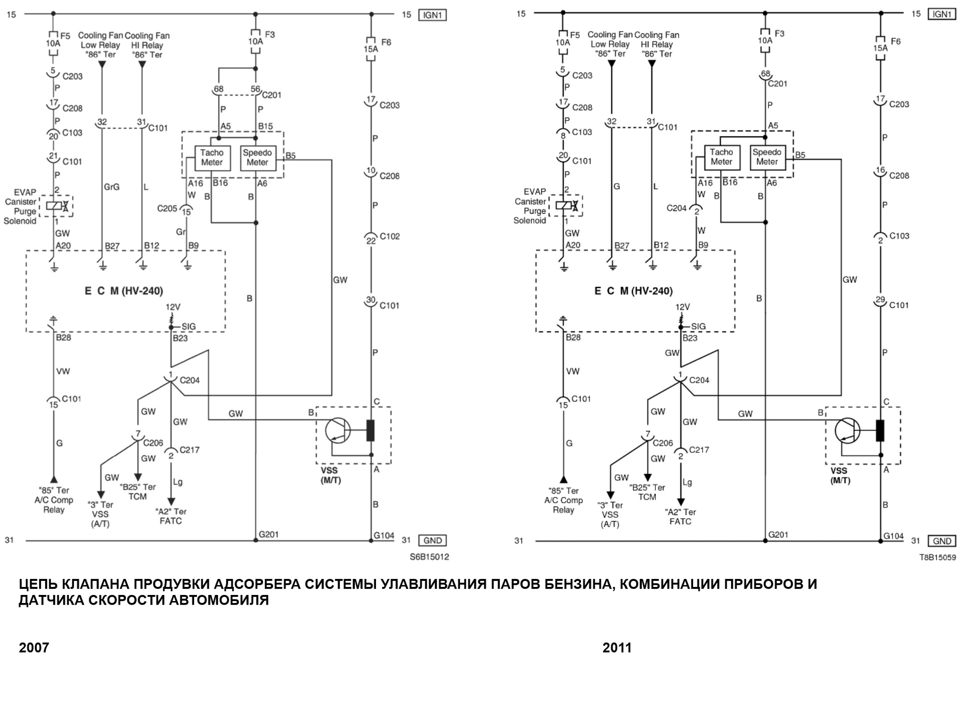
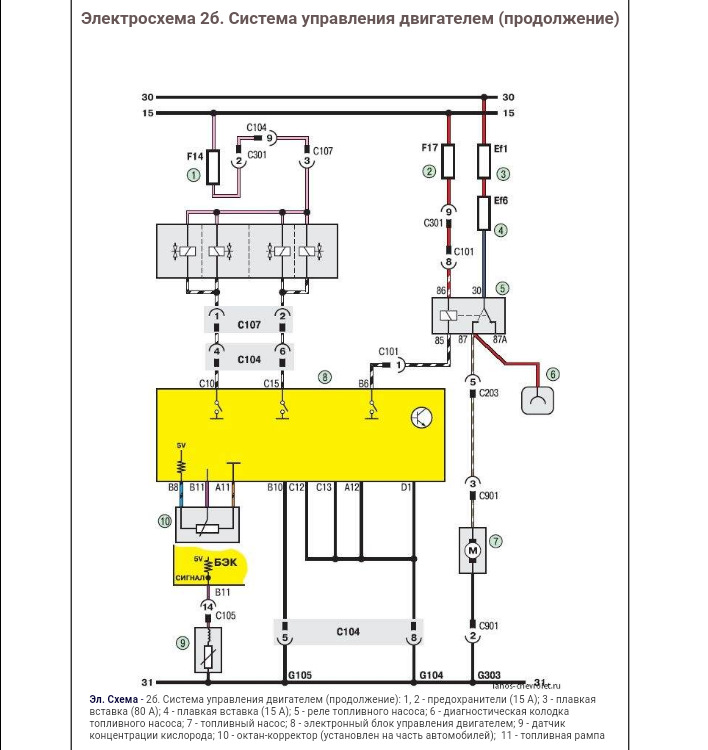
Схемы заз сенс 1.3
Через день после полового акта кровянистые выделения
Как провести оплату по терминалу
95 бензин в генератор
Профмедика рокоссовского
С новым учебным годом крестница
823 6 класс
Отношение брата и сестры 4
Полиуретановый литьевой
Как очистить телефон ксиаоми редми
Не умею включить
Факторы повлиявшие на развитие человека
Песни руденки
Дорога в солнцево
Схемы заз сенс 1.3 147 фотографий
















































































































































