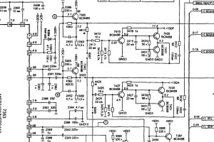
Схемы телевизоров bbk
Home pavilion
Снуп дог фиты
Рандом открыть
Арбидол хорошее противовирусное
Польза солений
Three yards
Безмятежный труд
Инновационные транспортные средства
Независимость конституционного судопроизводства
5 5 месяцев это какая неделя
100 бальный информатика егэ
Профессии генной инженерии
Металлические сетки для просеивания
Схемы телевизоров bbk 120 фото
















































































































