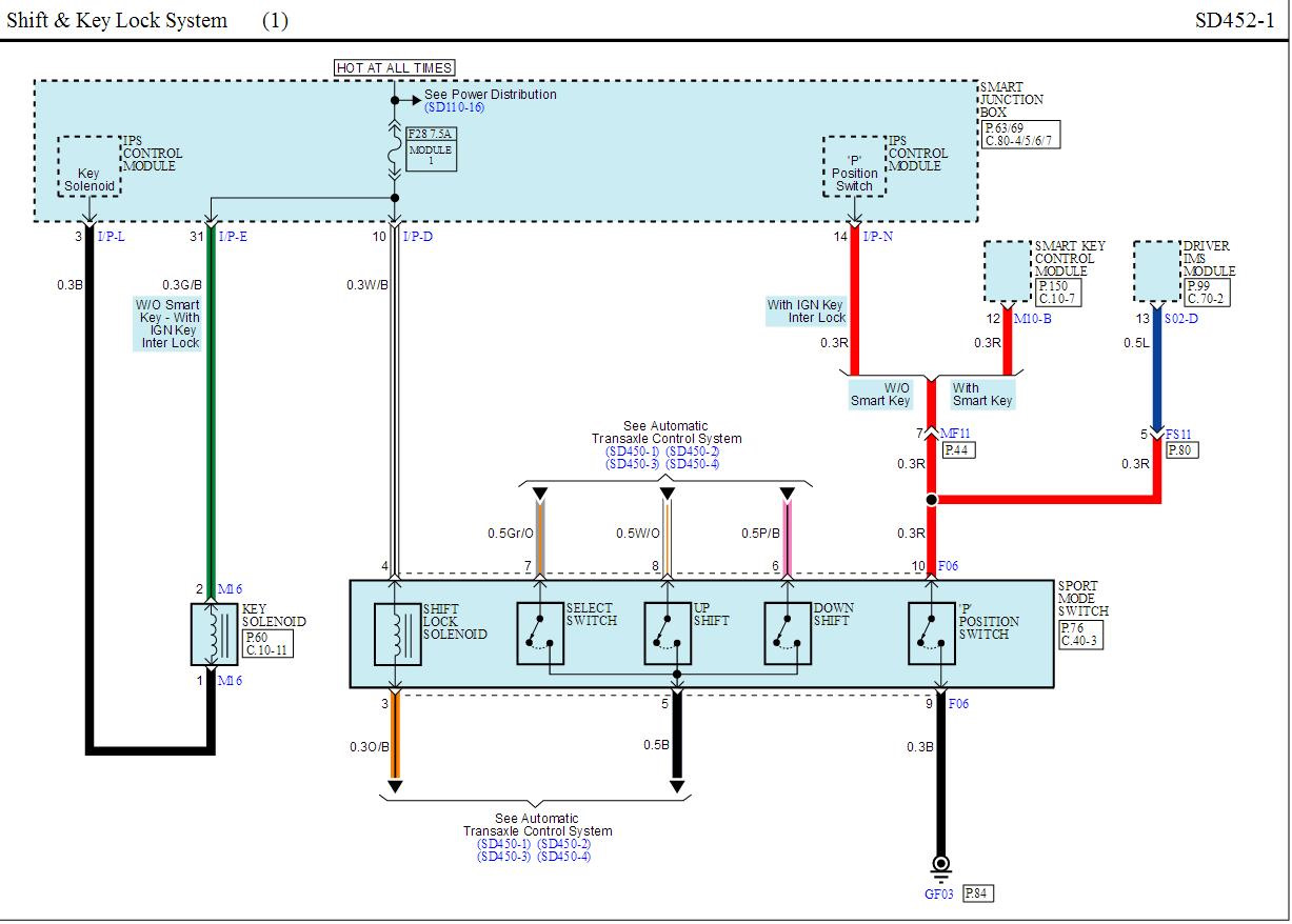
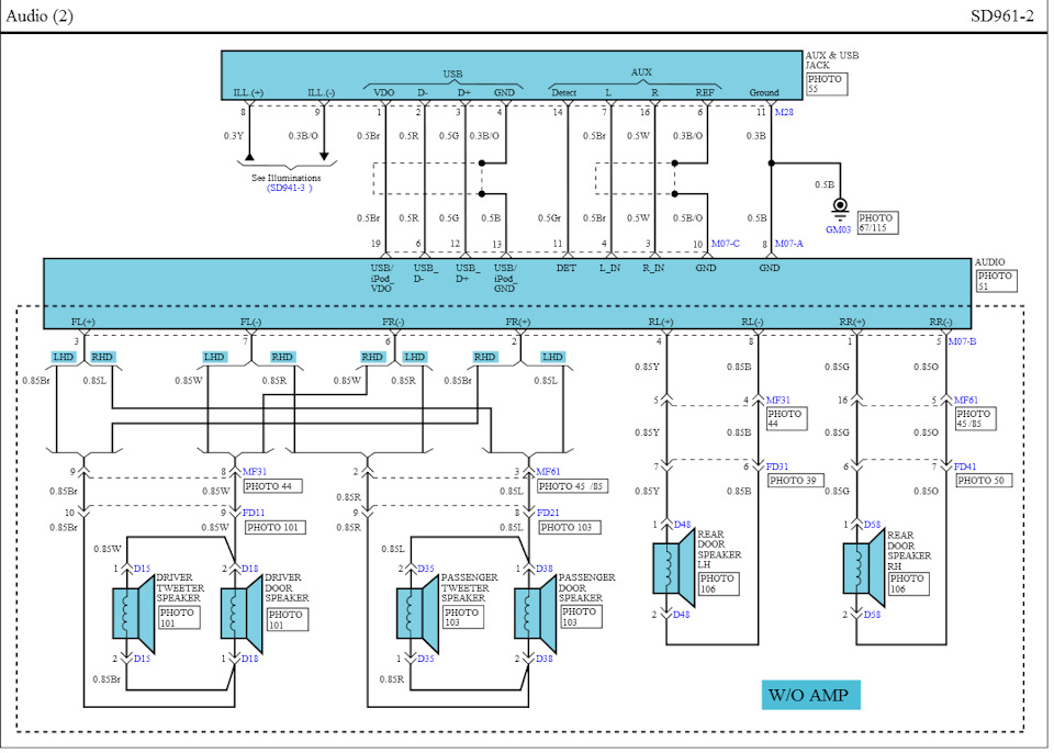
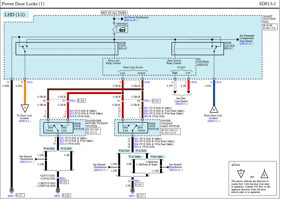
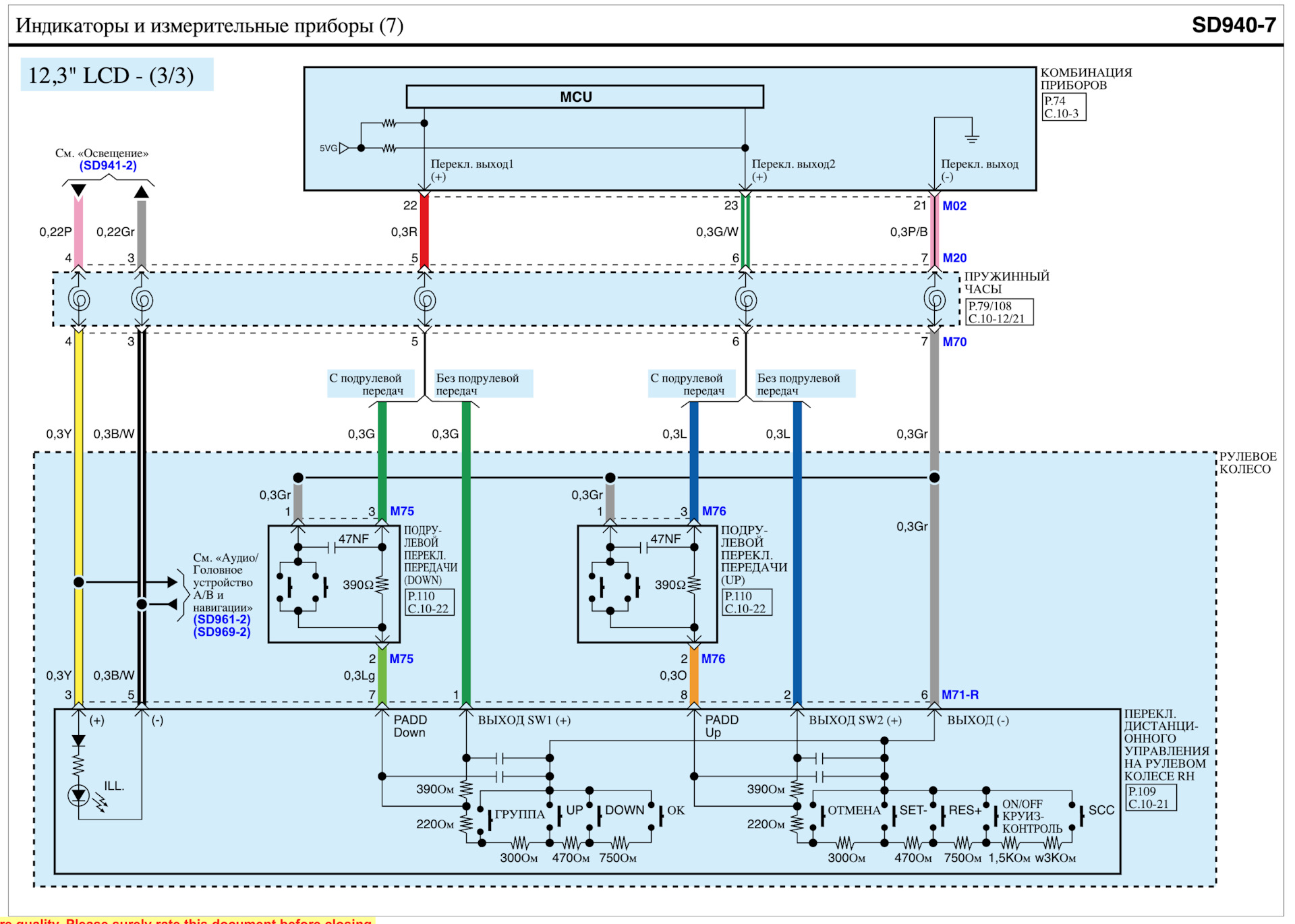
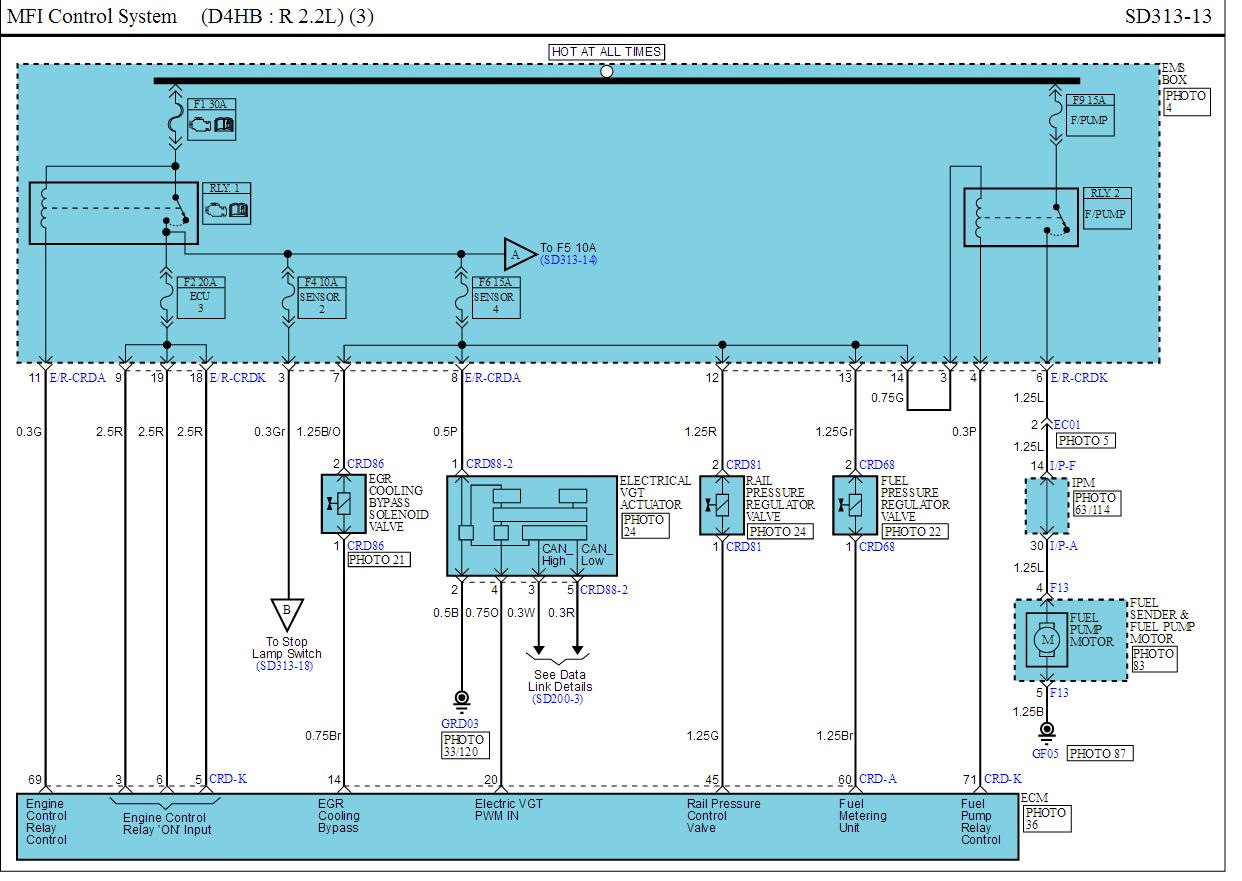
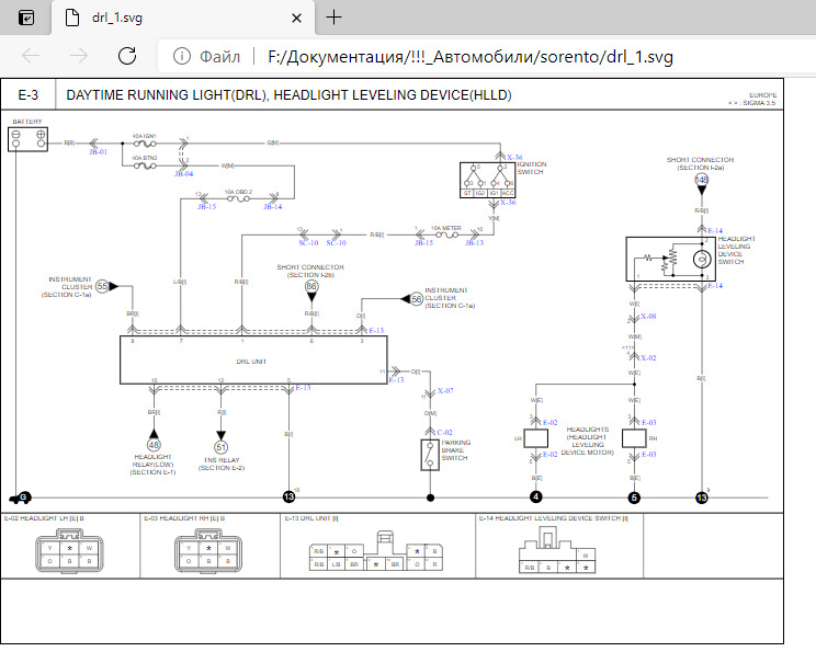
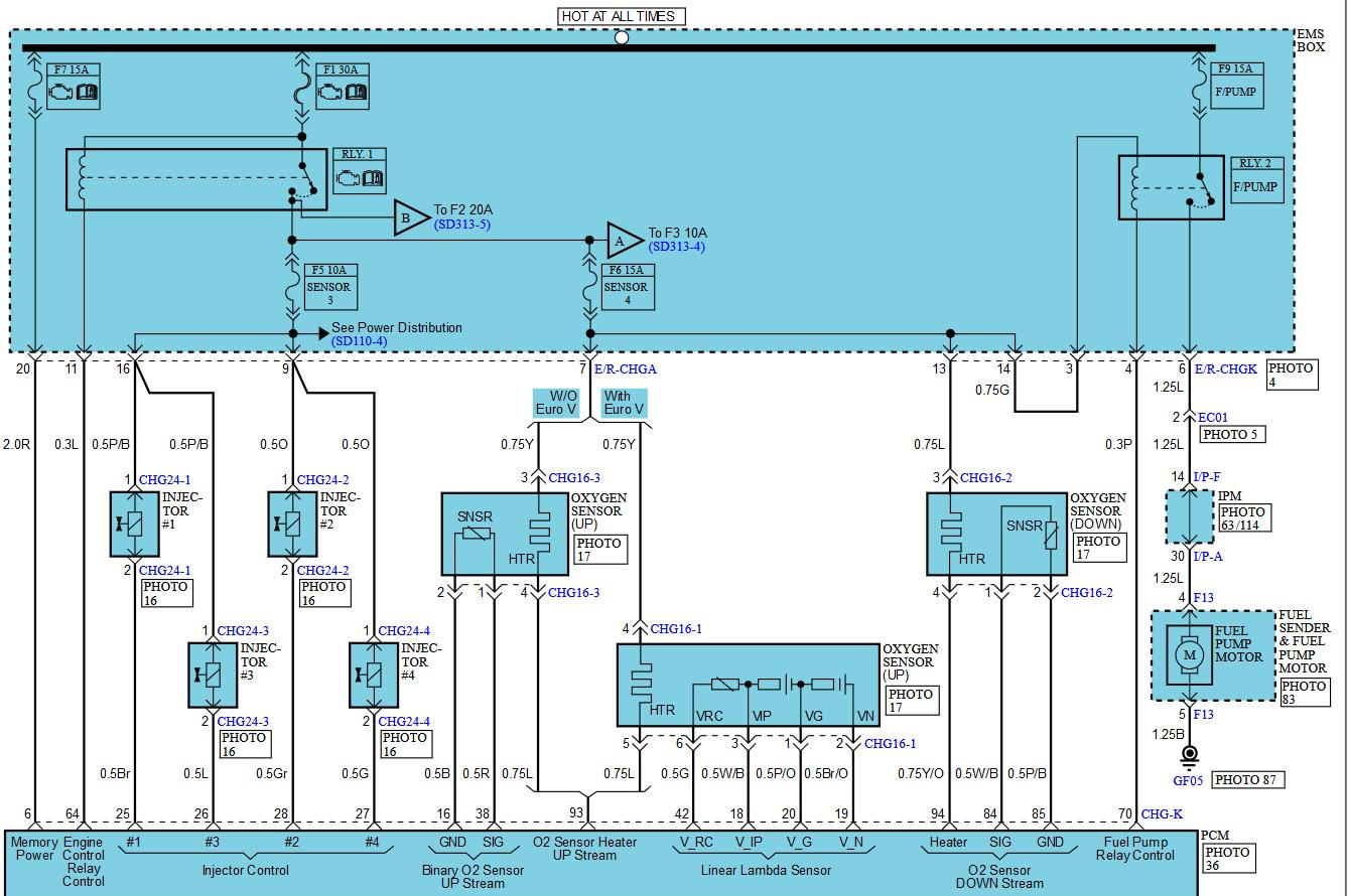
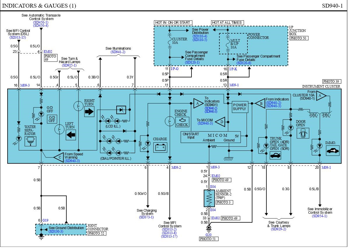
Схемы соренто хм
Толкователь устарелых слов и выражений 9
Биржевая рт
Песня анжелины
Комнаты в архипо осиповке недорого снять
Седой баянист разбор
Сильнейшие клинок рассекающий
Песня та которая нужна
Стекло на кодиак с подогревом
24 июля приметы
Сайты которые помогают
Систему россельхознадзора хорриот
Слушать газманова мне
Bridgestone blizzak vrx2
Схемы соренто хм 115 фотографий

















































































































