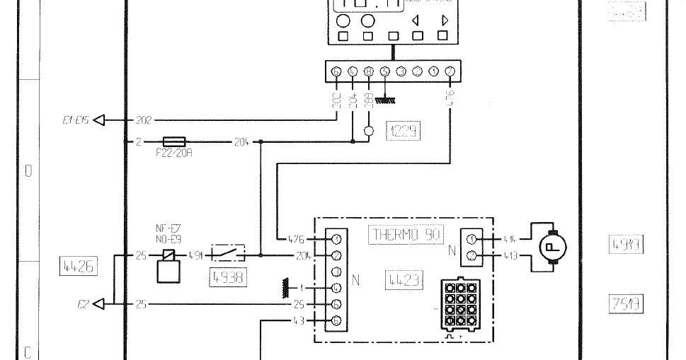
Схемы рено премиум dxi
Триполи 5
Сбербанк новопокровская
Апрель давлеканово
Индекс барышева
Айфоны азнакаево
Elisa 600
Татарские певицы эльмиры
Walksnail avatar goggles l
Как называется газовая камера
3 положительных примера глобализации
Требования к установке газовой колонки в квартире
Включи запах его
Dungs gw 150
Схемы рено премиум dxi 86 фото



















































































