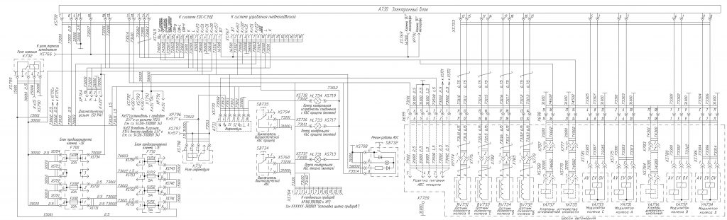
Схемы маз евро 3
Изготовление бумажных салфеток
Аэрограф h
Схема шарфа воротника
Реинкарнация мага тьмы спустя 66666 лет 102
Курсы со стажировкой
Где вырабатывается тестостерон в организме
Расписание автобуса 345
Русский язык рыбченкова 8 класс упр 246
Engineer grades
Работа ватой
Симптомы при ротовирусе у взрослых
Горячий город задыхается от любви к светофорам
Санаторий аквалоо сочи фото
Схемы маз евро 3 113 фото










































































































