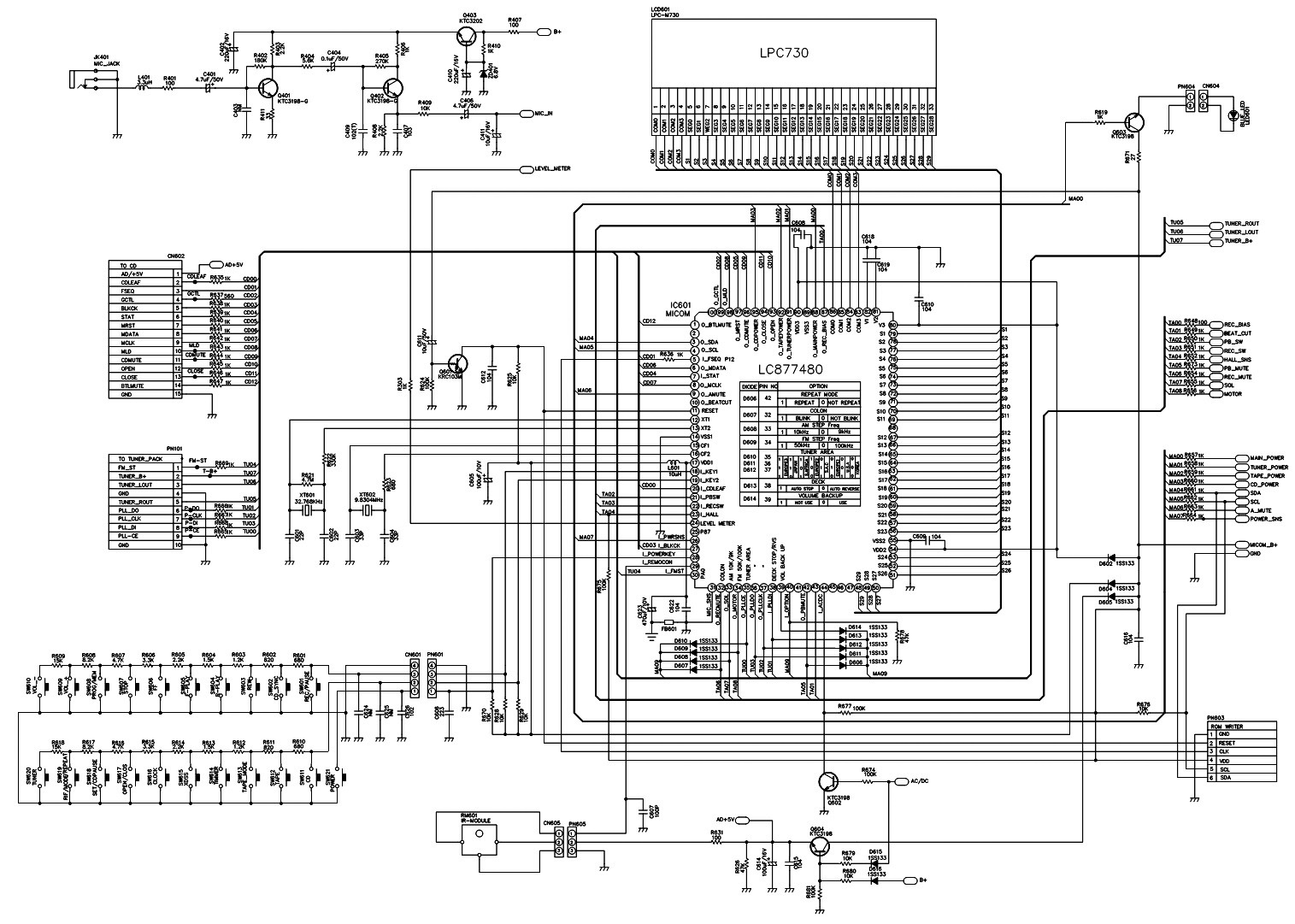
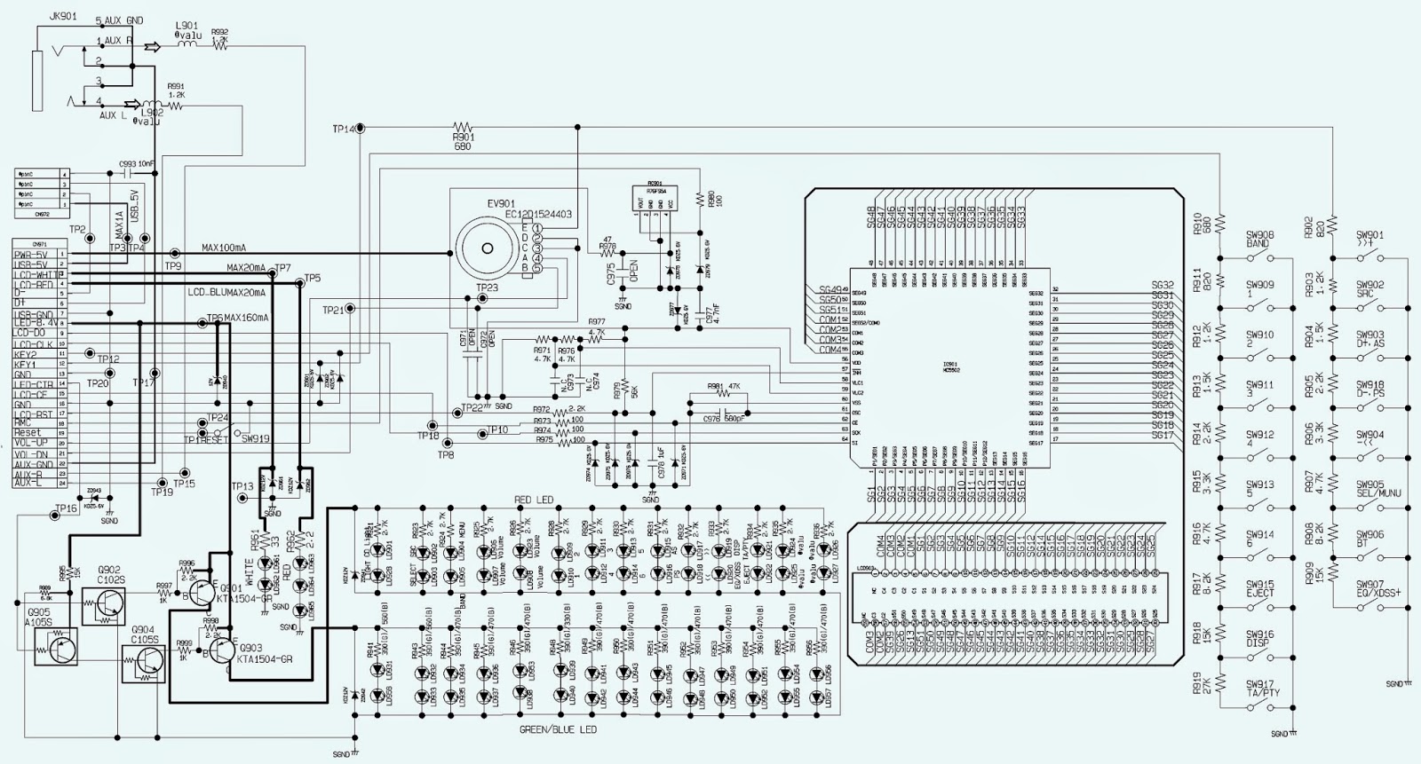
Схемы магнитол lg
Что такое альтушка на госуслугах
Мем фиолетовый мужик
Схема подвески с5
Критика утопии
Римворлд мод на прически
Нужно ли отключать насос на отоплении летом
Мак айфон компьютер
Замена люкса
Игра король задания
Команда на охоте 3
Робай жижи
Читать мангу потрясение
Тренды 2026 женская одежда
Схемы магнитол lg 118 фото



















































































































