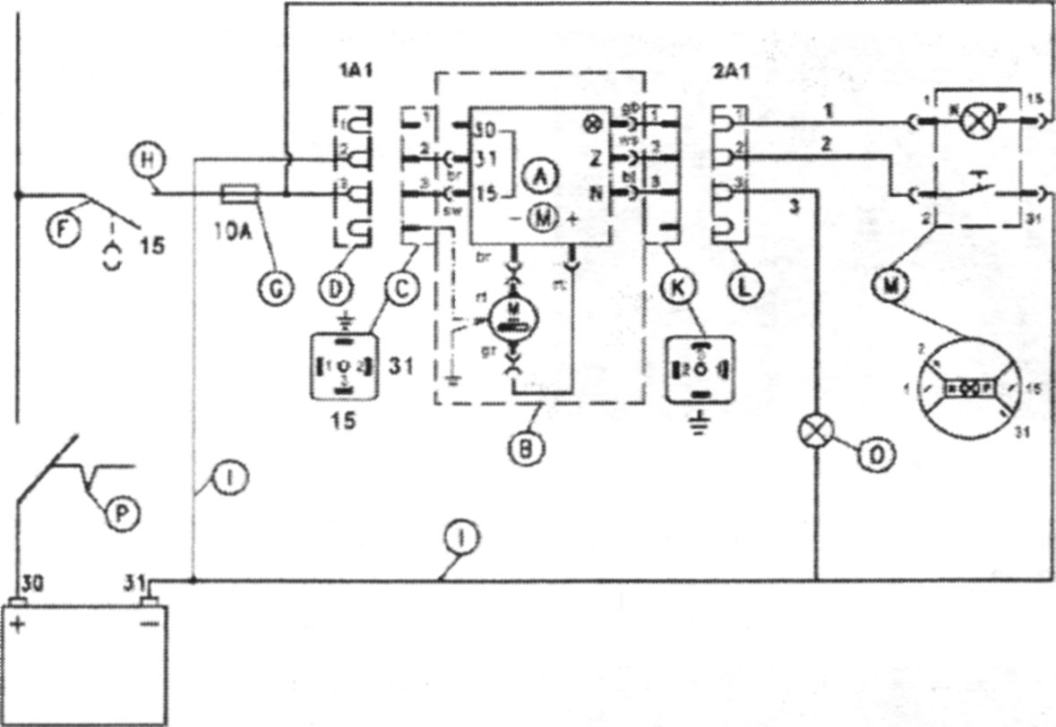
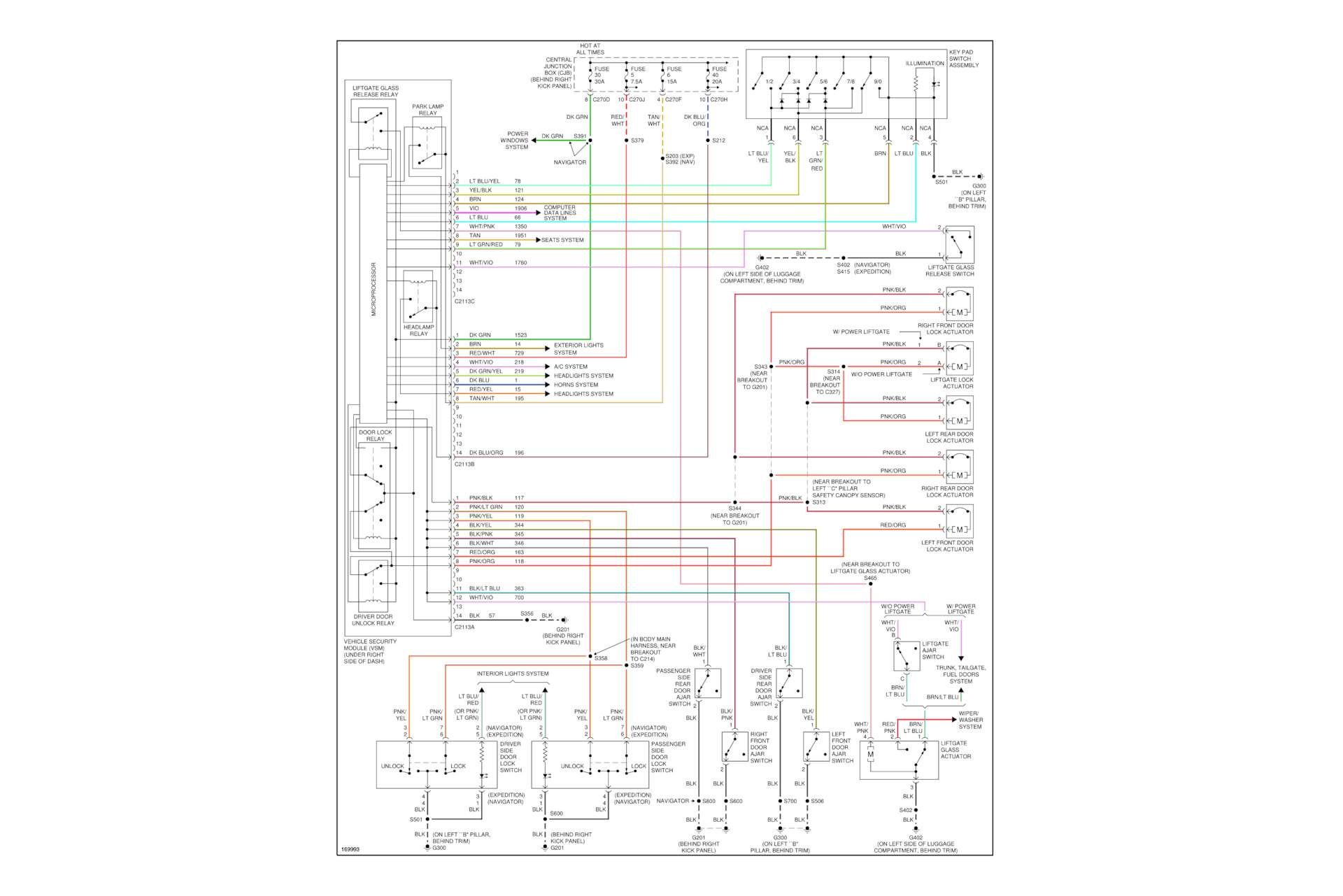
Схемы lincoln
Туган кон видео
Районы национальных конфликтов
Мое родное вольная
Вит с атоми
Пожелание воспитателям детского сада картинка
Уксус и уксусная эссенция в чем разница
Вентилятор silent crz design
Включи а нет просто
Набор испарителей
Среди этой нищей пьяной и срамной
Драйвера для материнской платы atermiter
Минеральные ресурсы восточной европы таблица
Сколько длится острый геморрой
Схемы lincoln 112 фото














































































































